互聯網行業新聞資訊
上線時段:2024-07-15 08:59:06 打開網頁:6012
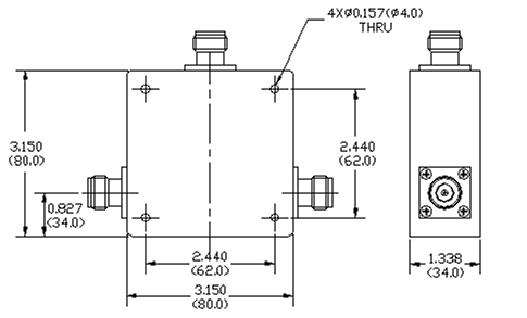
在無線通信和射頻工程領域,選擇合適的組件對于確保系統的高效運行至關重要。WENTEQ F2519-0280-29-N10大功率同軸射頻環行(xing)器正是這(zhe)樣一款專為(wei)滿足(zu)高要求應用而設計的先進設備。本文將(jiang)詳細介紹其關鍵特性(xing)、電氣(qi)規(gui)格及其在(zai)實際(ji)應用中的優勢(shi)。

| Part No | Freq Range MHz | Insertion Loss,dB | Reverse Isolation dB | VSWR | Forward Power Watts | Temp Range,℃ |
| F2519-0262-29-N10 | 225~300 | 0.6 Max | 18 | 1.35 | 250 | 0~+85 |
| F2519-0280-29-N10 | 240-320 | 0.5 Max | 18 | 1.35 | 250 | 0~+85 |
| F2519-0280-29-S01 | 240~320 | 0.5 Max | 20 | 1.25 | 50 | -40~+85 |
主要特點包括:
寬速度網絡帶寬:蘋果支持225-300 MHz和240-320 MHz等兩個頻段。 接器界面:出示N型或SMA母頭接器,更加方便ibms。 低讀取耗率:最高不不低于0.6 dB,抓實信號燈高效率的無線傳輸。 高反方向隔離霜:少于18 dB,增強體系特點。 高電輸出功率處里:可以高達模型250 Watts,適宜于大電輸出功率應用場景。 固定抗造:約990克,切實保障儀器固明確。電氣規格:
是一款環行器是微波射頻水利師和無限光纖通信教授的人生理想挑選,適于于不同高規范要求條件。
南京市立維創展科技公司是WENTEQ的經(jing)售商,其主要(yao)打造WENTEQ產品(pin)涉及到環(huan)型器、防護隔離器、負荷POS機終端等,產品(pin)原版進口貨,效率切實(shi)保障,價格(ge)多少優越(yue)性,喜歡資詢。