行業內最新資訊
上架(jia)時段:2024-06-12 09:07:03 查詢(xun):837
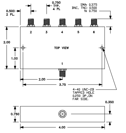
Synergy的DEK-701S是一款高性能的5路功率分配器,專為需要精確功率分配的應用而設計。該設備的關鍵特性包括寬頻帶、低損耗以及緊密控制的相位/幅度不平衡。其頻率范圍覆蓋了從0.05至30MHz,能夠滿足多種頻段(duan)的需求。

在插入損耗方面,DEK-701S在不同頻段下的表現有所不同,從0.05至0.5MHz的頻段內,插入損耗的典型值為0.3dB,而在15至30MHz的頻段內,這一數值上升至0.6dB。隔離度(du)方面(mian),設備在不同頻段下(xia)也提供了(le)具體的典型值(zhi)和最小值(zhi),確保(bao)了(le)信號(hao)的清晰分離。

相位不平衡量最大為4度,幅度不平衡量最大為0.3dB,這些(xie)參數保(bao)證了(le)功率(lv)分配的(de)穩定性和精確度。輸出阻抗為(wei)(wei)50Ohms,最(zui)大輸入功率(lv)為(wei)(wei)1瓦特(te),這些(xie)規格使(shi)得(de)DEK-701S能夠適應多(duo)種功率(lv)需求(qiu)。操(cao)作溫(wen)度范圍(wei)從(cong)-40至(zhi)+85°C,這意(yi)味著DEK-701S能夠在極端的(de)溫(wen)度條件下穩定工作,適合在各種環境中的(de)應用。連接(jie)器類(lei)型(xing)為(wei)(wei)SMA母頭,其中一個是輸入端口(kou),其余四個為(wei)(wei)輸出端口(kou),方便(bian)與各種設備連接(jie)。
規格參數:
| SPECIFICATIONS (Rev.B 08/30/06) | |||
| Frequency | 0.05-30 MHz | ||
| Insertion Loss (dB)* | Freq (MHz) | Typ. | Max |
| 0.05-0.5 | 0.5 | 0.9 | |
| 0.5-15 | 0.3 | 0.7 | |
| 15-30 | 0.6 | 1 | |
| lsolation (dB) | |||
| Freq (MHz) | Typ. | Min | |
| 0.05-0.5 | 25 | 20 | |
| 0.5-15 | 30 | 25 | |
| 15-30 | 25 | 20 | |
| Phase Unbalance(Deg.) | 4°(Max.) | ||
| Amplitude Unbalance (dB) | 0.3 (Max.) | ||
| Output Impedance | 50 Ohms (Nom.) | ||
| Input Power | 1 Watt (Max.) | ||
| Operating Temperature Range | 40 to +85°C | ||
| *In excess of the 7 dB theoretical split loss | |||
鄭州市立維創展科枝是Synergy的(de)生產商商,一般提供了(le)Synergy微波加熱(re)壓控(kong)諧振(zhen)器(qi)(qi)、結晶諧振(zhen)器(qi)(qi)、鎖相(xiang)諧振(zhen)器(qi)(qi)、鎖相(xiang)環規(gui)律合成圖片器(qi)(qi)、混頻器(qi)(qi)等的(de)物料(liao),的(de)物料(liao)坐落于美式南部的(de)隨便車道,快速(su)的(de)出(chu)現異常中(zhong)華企業客戶的(de)各種需求(qiu)。喜愛咨詢了(le)解。