行業中內容
發布(bu)公告時刻(ke):2024-06-06 08:51:27 看:779

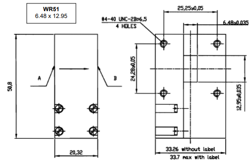
RADI-20-22-WR51-5WR波導隔離器是RADITEK一款高(gao)精(jing)度(du)(du)的(de)(de)射(she)頻(pin)設備,屬于WR51波導(dao)系列,有(you)15-17 GHz、17.5-20.5 GHz、17.7-22.2 GHz等多個(ge)頻(pin)率范圍(wei)。該隔(ge)離器具(ju)有(you)低插入損(sun)耗(最(zui)(zui)大0.3 dB至(zhi)0.4 dB)、高(gao)隔(ge)離度(du)(du)(最(zui)(zui)小18 dB至(zhi)20 dB)和(he)良(liang)好(hao)的(de)(de)電壓駐波比(最(zui)(zui)大1.25至(zhi)1.30),確保了高(gao)效的(de)(de)信(xin)號傳(chuan)輸和(he)隔(ge)離性能(neng)(neng)。它能(neng)(neng)處(chu)理(li)最(zui)(zui)大10W的(de)(de)正向功率和(he)承(cheng)受0.5W的(de)(de)反向功率。物理(li)規格包括詳細(xi)的(de)(de)尺寸信(xin)息和(he)鋁(lv)材質,表面經過化(hua)學膜處(chu)理(li),增強(qiang)了耐(nai)腐(fu)蝕性和(he)耐(nai)用性。該設備能(neng)(neng)在(zai)-40°C至(zhi)+85°C的(de)(de)溫度(du)(du)范圍(wei)內工作。
| Frequency | 15-17 | 17.5-20.5 | 17.7-22.2 | 20-22 | 20.2-21.2 | 20.2-21.2 | GHz |
| Insertion loss | 0.3 | 0.4/0.3 | 0.3 | 0.4 | 0.30 | 0.30 | dB max |
| lsolation | 20 | 20/18 | 18 | 18 | 20 | 20 | dB min |
| VSWR | 1.25 | 1.25/1.30 | 1.30 | 1.25 | 1.25 | 1.25 | :1 max |
| Waveguide | WR-51 | WR-51 | WR-51 | WR-51 | WR-51 | WR-51 | |
| Flange | UBR-140 | UBR-140 | UBR-140 | UBR-140 | UBR-140 | UBR-140 | |
| Materia | Aluminum | Aluminum | Aluminum | Aluminum | Aluminum | Aluminum | |
| Finish | Chemical Film | Chemical Film | Chemical Film | Chemical Film | Chemical Film | Chemical Film | |
| Power Forward | 1 | 2 | 1 | 10 | 1 | 1 | Watts |
| Power Load | 1 | 0.5 | 1 | 5 | 0.5 | 1 | Watts |
| Operating Temp | 40 to +85 | -30 to +70/ +15 to +35 | -30to +70 | 30 to +70 | 30 to +65 | 30 to +65 | ℃ |
蘇州市立維創展科技信息品牌授權代里RADITEK徽(hui)波隔離開器(qi)和環型器(qi)服務,一(yi)些材質常備外盤。服務正品進口,效(xiao)果確認,受歡迎咨詢服務。