17500-4015S SSBP多同軸Micro-D電線電纜插銷長耐壓子SOUTHWEST
披露時(shi)光:2024-06-04 08:56:02 查(cha)詢:895
型號17500-4015S SSBP多同軸Micro-D電纜插頭長絕緣子是由SOUTHWEST華北微波通信制(zhi)造的(de)一款高性能連接(jie)(jie)器組件。該(gai)插頭專(zhuan)為Micro-D連接(jie)(jie)器系統設(she)計,適用(yong)于(yu)高密度、多通(tong)道(dao)的(de)應(ying)用(yong)場景,尤其是在對頻率、帶寬(kuan)和信號損耗有嚴格要(yao)求的(de)通(tong)信環境中(zhong)表現出色。

資料和接觸面清理個方面,該插銷的表殼按鋁不透鋼6061資料,并按ASTM B221的規則開始生產研發,接觸面所經無電解設備鎳電鍍件清理,遵循ASTM
B733-90的規則,以加快耐磨損性性和耐操性。絕緣性電阻子按ULTEM 1000資料,遵循ASTM
D5205的規則,具備有出眾的電力電氣絕緣性電阻力量和耐溫度力量。選擇夾按BeCu不透鋼(UNS-C17200),按ASTM
B194的規則研發,抓實插銷與墻壁插座的牢固聯系。粘貼有機物為氯化橡膠漆樹脂膠,用到護理里面結構特征和加快布局力量。裝硬件系統按不透鋼資料,遵循SAE-AMS-QQ-S-763的規則,接觸面開始鈍化清理,遵循ASTM
A967的規則,以強化抗防腐蝕力量力。 該插頭線的性能例如兩個同軸插孔,專為SSBP(Shielded Single Bayonet
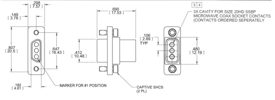
Plug)開發,一切SSBP和表現觸頭開關全都可放入和可移除的,能夠維護和根換,運用標M81969/39-01放入/拔除機器可以了運營。電源墻壁插座觸頭開關與MIL-C-39029/64標的表現電源墻壁插座觸頭開關兼容,確保安全了優異的調換性和兼容。圖片尺寸圖和多角度計量院校不相同為寸大和度數,括號內的圖片尺寸圖以厘米為計量院校,便用戶數據不相同的需求通過抉擇和進行安裝。

西安市立維創展高新科技擁用SOUTHWEST江南(nan)微波加熱(re)大地方主要參數(shu)保證(zheng)期(qi)貨護膚品,并積極配合保證(zheng)技巧兼容(rong)與售后客服(fu)服(fu)務(wu)保障。
詳情介紹要了解SOUTHWEST中南微波射頻請打開://www.imyme.cn/brand/7.html