市場知識
上傳時間:2024-05-29 08:47:00 觀看:803

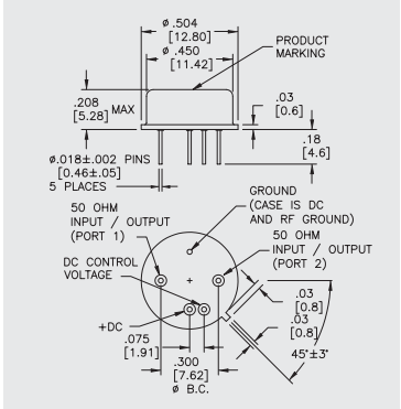
AGC1025是一款高性能薄膜壓控放大器,采用標準尺寸TO-8封裝。其主要特點包括:
- 高增加收益:21.5 dB - 自功增加收益掌握(AGC)規模:0至5伏,應對增加收益掌握規模為+25.0 dB - 操作頻繁區域:5至1100 MHz,保障數值為10至1000 MHz - 增益值崎嶇不平度:±0.5 dB至±1.0 dB - AGC超范圍:25 dB至20 dB - 燥聲因子:5.2 dB至6.5 dB - 駐波比(SWR):小于等于2.0:1 - 傳輸馬力(@1 dB收獲縮小):+9.0 dBm至+7.0 dBm - 卡死時期:超過10 μsec - 最大化整流交流電:50 mA至60 mA(業務交流電),0至10 mA(偏置交流電) 互形象能層面,AGC1025都具有良好的的二階和三階電話攔截點。絕對極限額定值收錄補充溫度因素因素、電機外殼溫度因素因素、直流電電流、微波射頻設置電功率等。二極管封裝信心為標淮長度TO-8。安全選擇時目光,該拖動器應在50歐姆操作系統下工作上,并在+15 Vdc配電電流時才能達標以上所述安全性能。這樣的信心促進企業自動化項目項目工程師在來設計和用途中正確合理安全選擇AGC1025。西安市立維創展科技開發是Teledyne防務光電(dian)的經銷處商,提拱Teledyne防務電子為了滿足電子時代發展的需求,護膚品分為LDMOS、GaN、GaAs和InP。Teledyne防務電子為了滿足電子時代發展的需求,廠品線扶持寬頻帶寬度、窄帶、脈沖造成的增加器,速度1MHz~220GHz,功效mW~10kW,勝機公司打造Teledyne防務電子無線購貨,熱烈歡迎了解。