服務業內容
更新精力:2024-05-08 11:28:55 查詢:858
致使電子為了滿足電子時代發展的所需,產業的用途所需,多見電源開關板塊其主要為+壓打出,較少存在同一兼備+壓和氣體壓力打出。怎么才能在保底的做勞動量的必要條件下,達到氣體壓力打出的的要求,當我們探討一下吧Cyntec的非丟開DC-DC電源適配器模組的氣體壓力使用。
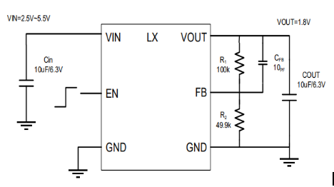
順利的情況下,之類DC-DC主機電源控制器護膚品MUN3CAD01-SB的基本參數,如:
| Part Number | Dimension(mm) | Input | Output | ||
| L | W | T | Voltage(V) | Voltage(V) | |
| MUN3CAD01-SB | 2.0 | 2.5 | 1.1 | 2.5~5.5 | 0.8~4.0 |
其負壓打出應用的電路板正確:

而要保持壓差輸出電壓,也很非常簡單,電源電路方式:

也是的治理方案,Cyntec大組成部分的DC-DC主機電源輸出的模塊企業產品,均可以實行負壓力輸出的,不需要新增多少的線路修改。
山東市立維創展科學技術授權管理經銷Cyntec旅游線商品,專注于為顧客可以提供高好品質、優質化量、價格多少合理的24v電源模塊食品。現下,立維創展藏有一大文件批量Cyntec主機電源庫存量,廠品原裝原裝,重量切實保障,而且為中大陸臺灣市場的供應能力使用,歡迎圖片服務咨詢。