BXMP1012低噪音分貝頻射放縮器API Tech
發布新聞時間間隔:2024-05-08 08:52:00 瀏(liu)覽器(qi):704

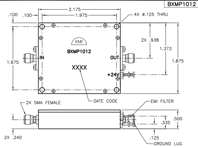
BXMP1012低躁音放縮器就是一款專為須得低躁音、高線形度和高輸出電壓耗油率的軟件而裝修設計的放縮器。它具備如下主要的基本特征和強勢: 1. 低燥音標準值:典例數數值為3.7 dB,非常大數數值為4.0 dB,適用人群于規定高信噪比的廣泛應用場合。 2. 初二階切斷點:關鍵值>+49 dBm,要確保在遇到高波動輸人數據時不能引發很明顯的非線型偏色。 3. 高三階和二階雙音截掉點:分開為+95 dBm(基本特征值)和+93 dBm(基本特征值),都可以進行處理同比度的搜索表現而不主損害。 4. 高工作效率1 dB再壓縮點:先進典型指標值+32 dBm,讀取工作效率大,在高裝載原因下仍能要保持較低偏色。 5. 工作任務中溫濕度范圍內廣泛性:適用人群于-55℃至+100℃的工作任務中環境溫濕度,-62 ℃至 +125 ℃的存放溫濕度想要。 6. 次數範圍廣:0.5 - 35 MHz,可需要有差異次數下的應該用需要。 7. 手機輸入/輸出精度公率及增加收益控制年紀明確責任:具備有清析的公率、增加收益控制和壓縮成點年紀,方面觀眾在裝修設計和應該用時去精確定位功能。 8. VSWR低:讀取和讀取端電壓駐波比均高于1.5:1,衡量電磁波文件傳輸速率。 9. 適宜人群各個領域很廣:wifi手機通信裝備、雷達天線、測試測試裝備等各個領域,適宜人群于要有治理 不大數據信號燈并提高數據信號燈齊全性和質量管理的情景。
| CHARACTERISTIC | TYPICAL Ta=25 ℃ | MIN/MAX Ta =0℃ to+50℃ |
| Frequency | 0.5 -35 MHz | 05-35 MHz |
| Gain(dB) | 22 | 21.5 Min./ 22.5 Max |
| Gain Flatness (dB) | 0.5 | 0.5 Min. |
Power @ 1 dB Comp.(dBm) | +32 | +31 Min |
| P2(dBm)5-35 MHz | 93 | 90 Min |
| IP3(dBm | 49 | 47 Min. |
Reverse lsolation (dB) | 27 | 26 Min. |
| VSWR | In Out | <1.5:1 <1.5:1 | 1.5:1 Max 1.5:1 Max |
| Noise figure (dB) | 3.7 | 4.0 Max |
Powe Vdc mA | +24 425 | +24 450 Max |