制造業資訊、短視頻軟件
推出時候:2024-04-22 09:28:29 訪問:873
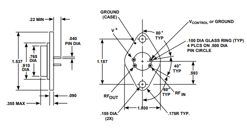
AGC-330是一款壓控放大器,由Teledyne公司(si)生產。它采用了兩級(ji)薄(bo)膜雙(shuang)極射(she)頻放(fang)大器和(he)具(ju)有0至5伏直流控制的PIN二(er)極管的組合(he)。這種設計使得AGC-330能(neng)夠實現超過(guo)36 dB的增益變化。電(dian)(dian)阻(zu)反饋(kui)確保了在不同溫度下的穩定增益,并且通過(guo)使用旁路(lu)電(dian)(dian)容器和(he)扼流圈來(lai)對(dui)偏置輸(shu)入電(dian)(dian)壓(ya)進(jin)行射(she)頻保護。該(gai)放(fang)大器封裝在TO-3密封封裝中(zhong)。

以下是AGC-330的主要特性:
- 頻繁 范疇:5至300 MHz- 單包封裝- 寬AGC依據:36 dB(主要值)- 22 dB的收獲(明顯值)AGC-330的主要應用包括:
- 開環或閉環設定收獲設定- 接受到機打出增加收益保持- 液位變送器讀取調平管理以上特質和應用不使AGC-330在大面積的頻射網上軟件中具備有必要的幫助,譬如流量機 、聲納軟件等。| Maximum Ratings | |
| Parameter | Maximum |
| DC Voltage | +17 Volts |
| Continuous RF Input Power | +13 dBm |
| Operating Case Temperature | -55 to +125℃ |
| Storage Temperature | -62 to +150℃ |
| “R”Series Burn-In Temperature | +125°℃ |
| Thermal Characteristicsl | |
| θ?c | 105/105°C/W |
| Active Transistor Power Dissipation | 105/180 mW |
| Junction Temperature Above Case Temperature | 11/19°℃ |
| Weight:(typical)14.5 grams | |
上海市立維創展(zhan)科(ke)學是Teledyne防(fang)務(wu)自動化的經銷(xiao)處商(shang),出具(ju)Teledyne防(fang)務(wu)電(dian)子器件廠品分為LDMOS、GaN、GaAs和InP。Teledyne防(fang)務(wu)電(dian)子好產品種類適配(pei)寬頻(pin)帶(dai)寬度、窄(zhai)帶(dai)、脈沖發生器圖像放大電(dian)路,次數(shu)1MHz~220GHz,效率mW~10kW,其優勢(shi)的渠道(dao)展(zhan)示 Teledyne防(fang)務(wu)自動化定購,熱烈(lie)歡迎了解。
內容理解Teledyne防務電子請點://www.imyme.cn/brand/46.html