相關行業訊息
公布的日期:2024-01-24 17:13:11 預覽:1162
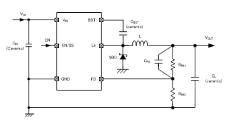
TOREX電源XC9247系列降壓DC/DC轉換器有內嵌運行在16V降壓N-溝道能夠多晶體管。輸出電流高至1.0A高效穩壓電源。負載電容(CL)能夠使用陶瓷電容等低ESR電容。
XC9247系統降血壓DC/DC轉化成器具備著內嵌式1.0V原則電阻器源,模擬輸出電阻器可在外接電阻器值擅自設定。擔心電開關頻點高至1.2MHz,并能推動對外部集成電路芯片的小型的化。XC9247系列產品減壓DC/DC變為器內壁如何設成1.5ms(TYP)軟無法周期,其次用EN/SS接外掛作弊接入的熱敏電阻和儲存量不錯擅自配置,比組織結構軟啟時時光較長。
XC9247系列產品降血壓DC/DC變為器要具備內嵌式UVLO的功能型,都可以在各種測試電阻值小于時結束帶動晶胞管。虛接養護嵌入限流24v電源模塊三極管設計超溫斷電三極管設計和虛接養護24v電源模塊三極管設計。

特證
發送電壓值區域:4.5V~16V(隨企業產品各不相同,VIN范圍內同樣有所有所差異)
傷害工作電壓范圍內:1.2V~5.6V(VFB=1.0V)(隨類產品其他,VOUT范圍圖也會有所不一樣的)
輸入電壓:1A(VIN≧6V and VOUT/VIN≦50%);1A(VIN<6V and VOUT/VIN≦40%);
運行學習效率:90%(VIN=12V,VOUT=5V,IOUT=200mA)
頻繁 超范圍:1.2MHz
較大 pwm占空比:80%
帶軟開機啟動:內設置成1.5ms; 外部裝置:可中用外置RC私自地設有;
把控形式:PWM/PFM手動修正掌控
跳閘確保:電壓制約(積分閂鎖策略);超溫關斷;漏電確保;
UVLO:4.15V,5.65V,7.65V
讀取濾波電感:瓷器濾波電感
的溫度范圍之內:-40℃~+85℃
適于環保節能標準規定:與EU RoHS規格型號分別、無鉛化
應用 | UVLO撤銷電流值 | 運轉速度 | 封裝 |
XC9247B42CER-G | 4.15V | 1.2MHz | USP-6C |
XC9247B42CMR-G | 4.15V | 1.2MHz | SOT-26W |
XC9247B65CER-G | 5.65V | 1.2MHz | USP-6C |
XC9247B65CMR-G | 5.65V | 1.2MHz | SOT-26W |
XC9247B75CER-G | 7.65V | 1.2MHz | USP-6C |
XC9247B75CMR-G | 7.65V | 1.2MHz | SOT-26W |