服務業房產資訊
頒布周期:2018-08-27 11:37:58 搜索:1892
AMCOM的(de)(de)GaAs MMIC PAs題材軟(ruan)件,這(zhe)幾(ji)天推(tui)出了EM 封(feng)口,是代替(ti)已經的(de)(de)FM封(feng)口的(de)(de),保守估計(ji)以后一(yi)有五多年大部分替(ti)代成EM, FM依舊能夠 繼讀(du)入手。 EM的(de)(de)安全性能更(geng)優質,更(geng)有優勢。
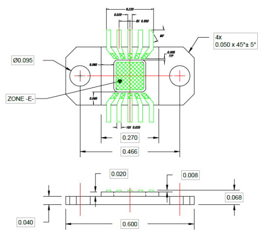
EM芯片封裝的結構圖(tu)紙設(she)計(ji)

批注:
1、所需(xu)要的零部件/產品(pin)明細清單表:
|
敘述 |
建材 |
|
引線三層架構 |
銅 |
|
環框 |
防氧化鐵的類別1 每ASTM d2442 |
|
輪緣 |
CuW (75W;25Cu) |
1.1涂料和/或加工(gong)方式的很多變化應(ying)以書面語行(xing)式審(shen)批權(quan)。
1.2任何(he)運輸貨(huo)品的深入分析證明材料書應存檔(dang)下載不(bu)不(bu)少五年。應按讓(rang)出(chu)具職業資格證書的復印件。
2、需要:
3、2.1鎳板請(qing)求:
2.1.1鉻層強(qiang)度:100微屏幕(mu)尺寸很(hen)小氨基磺(huang)酸鎳在區(qu)域中-E的中心的測量(liang)。
2.1.2鎳(nie)規格數劇應存儲在zip文件中,并依據客服條件供應信心。
2.2金板規定:
2.2.1鑲(xiang)金(jin)應非常(chang)符合MIL-STD-4204,第1類,III型的(de)劃分耍求;在金(jin)礦石床中,鉈看作光澤劑(ji)或晶粒度(du)落實劑(ji)的(de)運用是不許的(de)。
2.2.2金溶解度(du)深入分析(xi)資(zi)質畢業(ye)(ye)證(zheng)書應(ying)由(you)生產(chan)商供(gong)應(ying),以便(bian)不(bu)大于不(bu)超五年。應(ying)規范(fan)大家供(gong)應(ying)資(zi)質畢業(ye)(ye)證(zheng)書復本。
2.2.3鍍鋅層層厚:最少509英寸(cun),面值最小(xiao)在(zai)線(xian)測量位置(zhi)E--。
3、產品檢驗/應(ying)力測試:
3.1膠水粘劑插頭:
3.1.1鍵合(he)介(jie)面(mian)為90%無縫隙(xi)。
3.2.2在整合物到法蘭盤(pan)膠接金屬接頭中的接縫處或不不間斷性(xing)(xing)是可聯受的,暫行(xing)規定包(bao)裝(zhuang)設計(ji)的通道享(xiang)有漏糞同(tong)步(bu)性(xing)(xing),MI-STD-883的辦法1014.10C。
3.2十(shi)分平整光(guang)滑(hua)度:
3.2.1區-E(交叉(cha)的情(qing)況(kuang)區域環(huan)境)為0.0010平。
3.3位置合適(shi):
3.3.1匯(hui)聚物對法蘭盤的角(jiao)向布(bu)局,最大程度3°。
3.4熱時(shi)間段(duan):
3.4.1鍍銀應(ying)在空氣中(zhong)歡樂氣氛中(zhong)實現320°C±5°C,不間斷57分鐘±30秒(miao)。經熱(re)治理 封裝(zhuang)。
3.4.2引(yin)線拉力:引(yin)線在拉90°到環框水(shui)平應該承(cheng)擔世(shi)界上最(zui)大0.66磅遠(yuan)離基(ji)準值面。
3.4.3可焊(han)(han)性:引線應按MIL-STD750,辦法2026可焊(han)(han)(省(sheng)略(lve)除(chu)資格考(kao)試之外的水蒸氣(qi)脫落)。
3.5防(fang)護隔(ge)離(li)流(liu)出應在活套法(fa)蘭和引(yin)(yin)線之中的200 VDC處為1微安(an),并引(yin)(yin)起引(yin)(yin)線。
3.6引線框無法伸延到環框空(kong)腔邊角。















更大的內容,請關聯自己客戶!!!