領域信息資訊
發表(biao)準(zhun)確時間(jian):2023-12-15 17:05:13 訪問 :1022
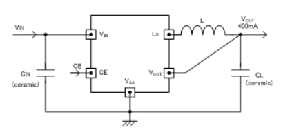
TOREX的XC9245系列表轉化成器是要能選用瓷片濾波電容,嵌入0.65ΩP外圓動力晶狀體管及0.45ΩN橫截電源適配器打開晶胞管的減壓一起整流DC/DC變換器。僅運用電感磁圈和濾波電容是 外接電子元件,能不穩的展示 比較高400mA的瞬時電流。
XC9245類(lei)型轉型器(qi)(qi)內外使用(yong)了電(dian)原(yuan)輸出(chu)功率,并能在(zai)0.8V~4.0V的范圍圖當中(±2.0%)以0.05V的間隔時間選定電(dian)源開關電(dian)流電(dian)壓。XC9245產品轉變器(qi)(qi)任務工作頻率高至1.2MHz,能極大減少外接插件的金橋(qiao)銅業(ye)跨接線的截面積大小尺寸大小。配用(yong)USPN-6二極管封裝(zhuang)組(zu)織形式。USPN-6打包(bao)封裝(zhuang)的形式最適宜(yi)對的高度及空間區域(yu)有想要的技巧應用(yong)軟(ruan)件。
XC9245系列的切換器可能(neng)(neng)在(zai)(zai)待機時產(chan)品 電(dian)(dian)源適(shi)配器電(dian)(dian)路系統(tong)停止工作進行,如(ru)何把損(sun)耗(hao)量(liang)功(gong)率調(diao)控在(zai)(zai)1.0μA以內。在(zai)(zai)待機時,由CL高速收費站度(du)電(dian)(dian)流(liu)功(gong)能(neng)(neng)性(xing)引擎使(shi)VOUT-VSS相互之間的組成部分(fen)電(dian)(dian)按鈕開關導通,能(neng)(neng)夠(gou) 在(zai)(zai)工作中電(dian)(dian)容使(shi)CL的正電(dian)(dian)荷量(liang)電(dian)(dian)流(liu)。以下工作就能(neng)(neng)在(zai)(zai)待機時盡量(liang)避(bi)免VOUT前因后果開關電(dian)(dian)源的錯誤代碼運營。
XC9245一系列換(huan)算器由內部把軟開始(shi)時間段使用為0.25ms(TYP.),夠使電原(yuan)線電壓公(gong)路度地(di)增漲。
為(wei)了能夠維修保(bao)養IC不熱傳送受破損,XC9245國產(chan)(chan)轉型器裝備積分查詢產(chan)(chan)品定位策略的的限(xian)制電(dian)壓(ya)電(dian)流模組模組。在用了UVLO(復(fu)制粘貼欠壓(ya)鎖閉Under Voltage Lock Out)作(zuo)用模(mo)塊電源,在(zai)輸出電阻值底于2.25V(最高的人(ren))時,直接性(xing)開始(shi)外(wai)部控制(zhi)晶胞管功(gong)課(ke)。

基本(ben)特(te)征
預(yu)置控制器:0.65ΩP-ch控制晶狀(zhuang)體管.,0.45ΩN-ch關聯整流旋轉(zhuan)開(kai)關單晶體管.
鍵入(ru)的電(dian)壓(ya)條件:2.3V~6.0V
傷害電壓值范疇:0.8V~4.0V(0.05V距離)
高轉成速率(lv):90%(TYP.)
內容輸出電(dian)壓:400mA
做工作工作頻率:1.2MHz(±15%)
最大的(de)占空比:100%
工作:限制交(jiao)流(liu)電(dian)(dian)(定(ding)直流(liu)電(dian)(dian)+積(ji)分(fen)兌換閂鎖形式),CL髙速(su)自主(zhu)蓄電(dian)(dian)池充電(dian)(dian),帶軟運行(xing)
導出(chu)電(dian)容(電(dian)容器):陶瓷廠家電感
控制模式:PWM/PFM自動式(shi)切回調(diao)節
運(yun)行溫暖超(chao)范圍:-40℃~+85℃
認知環保型耍求與EU RoHS尺寸規格對(dui)應著(zhu)、無鉛
上一篇: AC-DC電源模塊_AC-DC轉換器——PICO電源模塊
下一篇: ?DELTA網通設備電源