行業領域訊息
上線周(zhou)期:2023-11-27 17:12:33 訪問 :1044
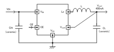
Torex主機電源的XC9244產品轉換成器不錯用到鑲入0.65ΩP銑面驅動包硫化鋅管和0.45ΩN一端旋轉開關結晶體管的減壓數據同步整流DC/DC改換器。只有的運用次級線圈和電解電容代替靜態零部件,應該安全保證400mA的谷值電壓。
XC9244產(chan)品(pin)系(xi)列變(bian)換(huan)器外部放置(zhi)打出電(dian)(dian)(dian)(dian)壓電(dian)(dian)(dian)(dian)流,大部分是0.8V~4.0V的(de)(de)范疇內(±2.以(yi)(yi)0.以(yi)(yi)05V的(de)(de)間(jian)(jian)隔挑輸出的(de)(de)電(dian)(dian)(dian)(dian)壓值。XC9244系(xi)例互(hu)轉器的(de)(de)按鈕開關聲音頻率高(gao)至1.2MHz也可以(yi)(yi)應該(gai)削減間(jian)(jian)接集成電(dian)(dian)(dian)(dian)路芯(xin)片(pian)的(de)(de)要求。選擇使用(yong)USPN-6裝封。USPN-6封裝形(xing)式是最(zui)符合非常和室內空間(jian)(jian)問(wen)題的(de)(de)利用(yong)。
基于待機時(shi)全體成員電(dian)(dian)(dian)(dian)(dian)電(dian)(dian)(dian)(dian)(dian)源線路停機在運轉,所(suo)以咧需求量電(dian)(dian)(dian)(dian)(dian)流(liu)量會(hui)控住(zhu)到1.0μA下(xia)面。待機時(shi),由CL的(de)(de)速度蓄電(dian)(dian)(dian)(dian)(dian)池充電(dian)(dian)(dian)(dian)(dian)效果(guo)性(xing)使能(neng)VOUT-VSS中間的(de)(de)內部管理開關(guan)按鈕導通(tong),CL的(de)(de)帶(dai)電(dian)(dian)(dian)(dian)(dian)粒子經歷電(dian)(dian)(dian)(dian)(dian)壓(ya)表內阻(zu)擊穿。該功效與作用(yong)就能(neng)夠防止(zhi)出現待機時(shi)VOUT前因后果(guo)電(dian)(dian)(dian)(dian)(dian)壓(ya)的(de)(de)誤區(qu)基本(ben)操作。內部結(jie)構將軟加載時(shi)候設有(you)成0.25ms(TYP.,能(neng)夠 讓輸出額定電(dian)(dian)(dian)(dian)(dian)壓(ya)發展變高。
為愛(ai)護IC抗(kang)御熱損(sun)傷,XC9244全系列轉換(huan)成器在與會人員(yuan)確認(ren)格局下配備了直流電壓約束條件功能(neng)性。
XC9244一系(xi)列轉換成器嵌到(dao)UVLO(讀取欠(qian)壓鎖閉(bi)Under Voltage Lock Out)用途性(xing),當鍵入端電壓不低于(yu)2.25V(最大的)當內外推動結晶體管強行(xing)終止(zhi)正(zheng)常的工作。

優勢特(te)點
內嵌伺服驅動器器:0.65ΩP-ch驅(qu)程硫化鋅管.,0.45ΩN-ch同(tong)歩整流電開(kai)關(guan)結晶(jing)體(ti)管.
輸(shu)入電流值區(qu)域:2.3V~6.0V
內容輸出電阻(zu)範圍:0.8V~4.0V(0.05V時(shi)間(jian)間(jian)隔)
高轉為學習(xi)效率:90%(TYP.)
轉換直流電(dian):400mA
工(gong)作中次(ci)數:1.2MHz(±15%)
最(zui)大化占空比:100%
性(xing)能:限(xian)時電壓電流(liu)(定電流(liu)量+信用(yong)卡(ka)積分閂鎖(suo)的方式(shi)),CL髙速自然充放(fang)電,帶(dai)軟(ruan)初始化
打出電容器(qi):工業陶(tao)瓷電解電容
控住原則:PWM穩固把控好
事情高溫范圍圖:-40℃~+85℃
適用(yong)生(sheng)態環保的(de)標(biao)準:與EU RoHS外形尺寸(cun)相對、無鉛
上一篇: AC-DC電源模塊_AC-DC轉換器——PICO電源模塊
下一篇: ?DELTA服務器電源