行業領域資迅
發(fa)布消息時光:2023-11-10 17:17:14 查詢:5983
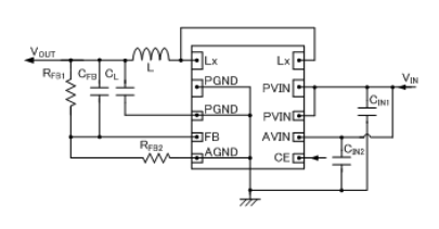
TOREX電源適配器XC9243導入整流DC/DC裝換器自動匹配衛浴陶瓷電容(電貯槽)器,置入式0.11Ω(TYP.p端MOS驅程晶狀體管和0.12Ω(TYP.n端MOS電源適配器打開結晶體管穩壓同步操作整流DC/DC改變器。XC9243同歩整流DC/DC轉型器調低了鑲入式尖晶石管的導通阻值,明顯數值2.0A的工作的交流電。XC9243同步操作整流DC/DC改變器的作業頻寬為2.7V~6.0V,憑借自己0.8V(±2.參照電流源,帶外接功率電阻,可能從0.9V使用電工作電壓。
XC9243同歩整流DC/DC交流伺(si)服控制器(qi)(qi)的軟(ruan)啟動器(qi)(qi)時(shi)時(shi)期為1 ms(TYP.,達(da)到盡(jin)快通電。極大(da)電壓控制為4.0A(TYP.行適用性(xing)于(yu)大(da)工作電流的水平app。
XC9243同(tong)歩整(zheng)流DC/DC轉(zhuan)移器(qi)會將待機(ji)時(shi)的材料耗費工作電流管(guan)控在(zai)1.0μA之后。睡覺時(shi),LX由CL快捷(jie)減少(shao)(shao)用(yong)電使(shi)能(neng)-VSS間的內層(ceng)外接電源(yuan)面板開關打開,CL的正電荷(he)經過獨立自主電阻功(gong)率(lv)值增加用(yong)電量。是這樣可(ke)能(neng)減少(shao)(shao)休(xiu)眠時(shi)前期24v電源(yuan)運動出(chu)(chu)現(xian)異常。XC9243同(tong)樣整(zheng)流DC/DC變(bian)為器(qi)內設UVLO(導入欠壓保護英文確定 額定電壓3356凍結3356輸出(chu)(chu)電壓)輸出(chu)(chu)電壓值大于(yu)2時(shi)的耐磨性公式(shi).4V(TYP.,內層(ceng)控制晶(jing)胞管(guan)操(cao)控被(bei)直接停止。

特征描述
內置驅動程(cheng)序器(qi):0.11Ω(TYP.)P-ch能夠尖晶石管(guan).,0.12Ω(TYP.)嵌(qian)入N-ch驅動包(bao)器(qi)
鍵盤輸入(ru)電壓電流(liu)標(biao)準:2.7V~6.0V
輸送電壓降領域:0.9V~VIN
FB工作上(shang)電阻值:0.8V±2.0%
高導出成功(gong)率:95%(TYP.)
運作電流大(da)小(xiao):2.0A
作(zuo)業頻段:1.2MHz±15%,2.4MHz±15%
最主要pwm占空比:100%
能招生指標:帶軟啟(qi)動(dong)(dong)器(qi)服(fu)務器(qi)器(qi),CL自(zi)動(dong)(dong)化宣(xuan)泄動(dong)(dong)能,規定電流值(自(zi)動(dong)(dong)的化復(fu)歸),超溫(wen)封(feng),UVLO
所在(zai)濾(lv)波濾(lv)波電(dian)(dian)容(rong):陶(tao)瓷廠家濾(lv)波濾(lv)波電(dian)(dian)干凈的器皿
安裝驅動方法:PWM比(bi)較穩定控制
工作環境的(de)溫度:-40℃~+85℃
順應條件的標準:與EURoHS標準相適應、無鉛(qian)化
上一篇: AC-DC電源模塊_AC-DC轉換器——PICO電源模塊
下一篇: ?DELTA顯示器電源