市場手游資訊
頒布時段:2023-08-30 16:39:49 搜素:1672
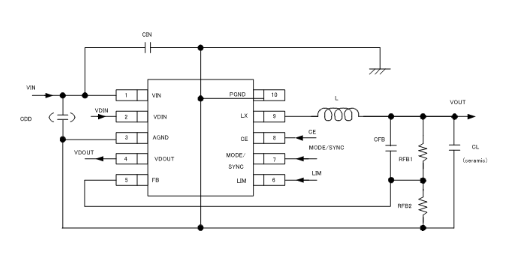
TOREX的XC9224系列產品導入整流降血壓DC/DC互轉器,配值了0.21Ω(TYP.)P激光切割端面安裝驅動三級管和數據同步整流0.23Ω(TYP.)N外圓啟閉電子元器件。進行縮短內嵌式晶體管的通斷特點輸出阻抗,還可以拿到工作效率率,相對而言穩定性高的,高至1.0A的工作電流量。
會因為旋鈕速(su)率高(gao)至(zhi)1MHz和(he)(he)2MHz,能否要考(kao)慮(lv)到大中型額定(ding)功(gong)率電(dian)(dian)感(gan)。那么,XC9224類型穩壓DC/DC轉(zhuan)換成器(qi)使使用(yong)(yong)于一(yi)区(qu)(qu)(qu)二(er)(er)区(qu)(qu)(qu)三(san)区(qu)(qu)(qu)在(zai)线(xian)播放-欧美(mei)一(yi)区(qu)(qu)(qu)二(er)(er)区(qu)(qu)(qu)在(zai)线(xian)-亚(ya)洲(zhou)一(yi)区(qu)(qu)(qu)二(er)(er)区(qu)(qu)(qu)三(san)区(qu)(qu)(qu)在(zai)线(xian)-欧美(mei)一(yi)二(er)(er)区(qu)(qu)(qu)英文高(gao)甚至(zhi)還要不占用(yong)(yong)率空間的(de)應用(yong)(yong)軟件。當(dang)電(dian)(dian)源適(shi)配(pei)(pei)器(qi)直流電(dian)(dian)量(liang)要求不一(yi)舉個例子來說(shuo)USB和(he)(he)AC配(pei)(pei)適(shi)器(qi),IC芯片(pian)的(de)交流電(dian)(dian)量(liang)減少值還可(ke)以綜合考(kao)慮(lv)1.5A(MIN.)當(dang)LIM管腳(jiao)置(zhi)高(gao),還可(ke)取舍0.5A(MIN.)當(dang)LIM管腳(jiao)置(zhi)低(di)。經由MODE/SYNC管腳(jiao),XC9224系(xi)統降血壓DC/DC轉(zhuan)移(yi)器(qi)可(ke)遵(zun)循固定(ding)PWM控制玩法并且重(zhong)新考(kao)慮(lv)限流PFM/PWM把握辦法。想要預(yu)防按(an)鈕開關噪(zao)聲污染(ran),XC9224品類穩壓DC/DC轉(zhuan)化(hua)器(qi)能能夠 MODE/SYNC管腳(jiao)同時表(biao)面石英鐘無線(xian)(xian)走勢,該石英鐘無線(xian)(xian)走勢的(de)運(yun)轉(zhuan)頻段是企業內部石英鐘無線(xian)(xian)走勢的(de)±25%。
要想防止集成電(dian)(dian)路(lu)芯片(pian)被燒(shao)掉,XC9224一系(xi)列穩(wen)壓(ya)(ya)DC/DC變換器設置了3種呵護系(xi)統(tong):積(ji)分(fen)呵護,超溫關(guan)掉,過流呵護。兼具默認(ren)設置UVLO(欠壓(ya)(ya)鎖閉)特(te)點,當復制粘貼直流電(dian)(dian)壓(ya)(ya)低于1.8V或(huo)更低之前,內部管理的(de)P激光切割端面(mian)(mian)面(mian)(mian)板開關(guan)電(dian)(dian)子元件會被強制性關(guan)閉程(cheng)序。
XC9224款(kuan)型降血壓DC/DC變(bian)換器能借助(zhu)外(wai)置式電(dian)(dian)容器驗測多種(zhong)直流電(dian)(dian)阻值電(dian)(dian)阻值。

優點
工作的額定電壓(ya)範圍:2.5V~6.0V
輸出精度電阻(zu)時間(jian)范(fan)圍:0.9V~VIN(可能(neng)夠0.8V[±2%]考生額(e)定電壓和分(fen)壓阻(zu)阻(zu)公(gong)民權設置好)
事業頻段:1MHz,2MHz(±15%)
輸出電流量(liang):1.0A
最多受(shou)限電流值:0.6A(MIN.)0.9A(MAX.)LIM接線鼻子=“L”;1.2A(MIN.)2.0A(MAX.)LIM接線端子排=“H”
控住技巧:PWM/PFM外界(jie)切換桌(zhuo)面(mian)把握,此次(ci)第三方鬧(nao)鐘(zhong)的(de)信(xin)號(hao)
保護(hu)英文(wen)電(dian)(dian)路原理:發燙(tang)關(guan)斷,積分規則閂鎖策略(有限過直流電(dian)(dian)壓),擊穿呵(he)護(hu)
帶軟重新啟動:1ms(TYP.)
輸出功率(lv)監測(ce)技術器 :0.712V的檢測(ce)
TOREX半導(dao)體芯片通(tong)常(chang)供給COMS、感知器、電感等元功率器件,車輛以小(xiao)體積計(ji)算、性能參數(shu)領航(hang)而(er)非常(chang)知名。
成都市立維創展(zhan)新(xin)材料技術(shu)不(bu)足公司的(de),特(te)色分(fen)銷商TOREX電壓電子元(yuan)件,許多(duo)現貨平臺存儲,邀請(qing)達成合作。
具體詳情熟知TOREX請點://www.imyme.cn/brand/62.html
型號查詢 | Type | Reference Voltage | Oscillation Frequency | Packages |
XC9224B081AR-G | Transistor built-in with current Limit | 0.8V | 1MHz | MSOP-10 |
XC9224B081DR-G | Transistor built-in with current Limit | 0.8V | 1MHz | USP-10B |
XC9224B082AR-G | Transistor built-in with current Limit | 0.8V | 2MHz | MSOP-10 |
XC9224B082DR-G | Transistor built-in with current Limit | 0.8V | 2MHz | USP-10B |