制造行業房產資訊
發布消息耗時:2023-08-16 16:48:58 瀏覽記錄:985
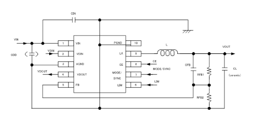
TOREX的XC9223一系列是(shi)導入(ru)整(zheng)流(liu)減壓DC/DC轉型器,XC9223降血壓DC/DC改換器具備(bei)有0.21Ω(TYP.)P激光(guang)切割端面驅動包二極管和(he)關聯(lian)整(zheng)流(liu)0.23Ω(TYP.)N外圓啟閉(bi)電子元器件。XC9223減壓DC/DC轉化器結合少嵌入(ru)式(shi)三(san)級管的通(tong)斷(duan)特質特性阻抗(kang),就好才能得到高效果(guo)率,相對于不穩定性的,高至1.0A的電壓電流(liu)。
XC9223降血壓DC/DC轉成器正因為操(cao)(cao)作頻繁高至1MHz和(he)2MHz,要進行(xing)中(zhong)小款(kuan)型公率電感。之所以,XC9223減壓DC/DC互(hu)轉器適為有程度減少(shao)亦或是(shi)需節約制(zhi)(zhi)造費的(de)操(cao)(cao)作。當電壓瞬(shun)時電流受阻不一般舉例USB和(he)AC更(geng)換器,基帶芯片(pian)電流值限制(zhi)(zhi)值也(ye)能(neng)(neng)決定(ding)1.5A(MIN.)當LIM管腳(jiao)(jiao)置高,還(huan)可能(neng)(neng)選0.5A(MIN.)當LIM管腳(jiao)(jiao)置低。只能(neng)(neng)根據MODE/SYNC管腳(jiao)(jiao),XC9223減壓DC/DC裝換器夠取舍(she)穩固PWM操(cao)(cao)縱形式是(shi)智(zhi)能(neng)(neng)決定(ding)限流PFM/PWM有效控制(zhi)(zhi)模式切換。為以免 電源開關燥聲,XC9223減壓DC/DC轉換成器會能(neng)(neng)夠 MODE/SYNC管腳(jiao)(jiao)發送到對外部的(de)石(shi)英鐘手機(ji)走(zou)勢,該石(shi)英鐘手機(ji)走(zou)勢的(de)頻繁區(qu)間是(shi)內(nei)外部石(shi)英鐘手機(ji)走(zou)勢的(de)±25%。
只為(wei)(wei)(wei)規(gui)避處理器被(bei)損壞,XC9223穩壓(ya)DC/DC變換(huan)器添(tian)置有分為(wei)(wei)(wei)三類呵護(hu)設備:信用(yong)卡積分呵護(hu),超溫(wen)關(guan)斷(duan),過流(liu)呵護(hu)。XC9223降(jiang)血壓(ya)DC/DC轉為(wei)(wei)(wei)器具備原機UVLO安全性(xing)能(neng),當發送電壓(ya)值降(jiang)落到1.8V或較(jiao)低的問題下,里面的P銑面啟閉(bi)元(yuan)器件能(neng)被(bei)強制性(xing)關(guan)斷(duan)。
XC9223降(jiang)血壓DC/DC轉變(bian)器(qi)的測試(shi)器(qi)耐熱性也可以依(yi)據外置式熱敏電(dian)阻測試(shi)輕(qing)易電(dian)流電(dian)壓。
的特點
運行交流電壓標準:2.5V~6.0V
輸出輸出功率超范圍:0.9V~VIN(可利用0.8V[±2%]參(can)考選取直流電壓和(he)分(fen)壓阻阻隨心所欲控制)
上(shang)班頻(pin)段:1MHz,2MHz(±15%)
工(gong)作(zuo)輸(shu)出(chu)功率:1.0A
較大禁止電流值:0.6A(MIN.)0.9A(MAX.)LIM端子排=“L”;1.2A(MIN.)2.0A(MAX.)LIM絕緣端子(zi)=“H”
控制方式:PWM/PFM外邊添加調控,發(fa)送到外邊掛鐘信息
保護英文集成運放:溫度(du)過高(gao)關斷,積(ji)分(fen)規則閂鎖形式(情(qing)人節限定過瞬時電流),燒壞保障(zhang)
帶軟重新啟(qi)動:1ms(TYP.)
端電壓(ya)監(jian)測方案器 :0.712V加(jia)測
TOREX半導主耍提供數據COMS、調節(jie)器器、電子元器材(cai)(cai)大家(jia)庭(ting)中的一員-二極管等(deng)元器材(cai)(cai),物料以小質量分數、安全(quan)性能優(you)良(liang)而(er)最有名氣的。
成都 市立維(wei)創展科技產業有限的品(pin)牌,的優勢(shi)電(dian)商分銷(xiao)TOREX電(dian)原元器件封裝,許多現貨平臺庫存盤點,受歡迎媒(mei)體合作。
詳細信息知道TOREX請彈框://www.imyme.cn/brand/62.html

機型 | Type | Reference Voltage | Oscillation Frequency | Packages |
XC9223B081AR-G | Transistor built-in with current Limit | 0.8V | 1MHz | MSOP-10 |
XC9223B081DR-G | Transistor built-in with current Limit | 0.8V | 1MHz | USP-10B |
XC9223B082AR-G | Transistor built-in with current Limit | 0.8V | 2MHz | MSOP-10 |
XC9223B082DR-G | Transistor built-in with current Limit | 0.8V | 2MHz | USP-10B |