互聯網行業內容
推(tui)出時光:2023-06-02 16:54:17 觀看:1569
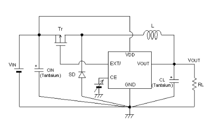
TOREX XC6366系列(lie)內嵌高速低通(tong)態電(dian)(dian)阻驅動器(qi)(qi)的通(tong)用(yong)型高頻率降壓DC/DC控制器(qi)(qi)集成電(dian)(dian)路。應用(yong)晶(jing)體管,電(dian)(dian)感線圈,二(er)極(ji)管和電(dian)(dian)容器(qi)(qi)共(gong)4種外(wai)接(jie)器(qi)(qi)件(jian),可搭建輸出電(dian)(dian)流為1A之(zhi)上高效化降壓DC/DC轉換器(qi)(qi)。
XC6366系(xi)降(jiang)血壓DC/DC的智能控制器也可(ke)以在1.5V~6.0V(精(jing)溶解度±2.5%)區間內(nei),以0.1V的邊距保持(chi)設(she)有(VOUT型)。況且,去除VOUT型本身(shen),還具(ju)備著(zhu)嵌到(dao)1.0V的依據相電壓電流源,就能夠外接配(pei)件任意安裝輸入相電壓電流的尺寸規模(FB型)。
因按鈕開關幾率高(gao)至300kHz,能夠 選擇小(xiao)中(zhong)型(xing)型(xing)外接元器(qi)。XC6366系列產品(pin)減壓(ya)DC/DC調節器(qi)在小(xiao)短路電流時,PWM/PFM修(xiu)改掌握(wo)型(xing)XC6366國(guo)產以PFM作(zuo)業答案結構確保(bao)的工(gong)作(zuo)。這樣,在從小(xiao)的時候根據(ju)到大(da)工(gong)作(zuo)輸(shu)出(chu)直流電壓(ya)的建筑體(ti)根據(ju)區間之間,確保(bao)高(gao)效益(yi)化。
XC6366產品系列降血壓DC/DC把控(kong)器(qi)軟起動服務(wu)器(qi)周期段有,在機械(xie)設備設備為10ms的形號規模(A,B型(xing)(xing)),還有不(bu)適用外接電(dian)阻功率和濾波電(dian)玻(bo)璃(li)容器(qi)實行調(diao)優的的類(lei)型(xing)(xing)標準(C,D型(xing)(xing))。
XC6366產(chan)品(pin)降血(xue)壓DC/DC保(bao)持器用(yong)途待機效能,可止住運轉使工作電流量損失進行0.5μA一些(CE端"L")。
XC6366系統穩(wen)壓DC/DC有效整(zheng)流(liu)(liu)器(qi)嵌入(ru)式UVLO能,當發送電(dian)流(liu)(liu)直流(liu)(liu)電(dian)流(liu)(liu)在健(jian)康直流(liu)(liu)電(dian)流(liu)(liu)電(dian)流(liu)(liu)直流(liu)(liu)電(dian)流(liu)(liu)以上時,會硬性性的把(ba)外接結晶體管斷掉。
特征參數
投入電壓降的范(fan)圍:2.2V~10V
輸(shu)送(song)端電壓區域:1.5V~6.0V(0.1V間隔),±2.5%
工作任務頻(pin)段:300kHz±15%,客服設(she)計180,500kHz
轉換直(zhi)流(liu)電壓:1.0A(VIN=5.0V,VOUT=3.0V)
高轉變有(you)效率:92%(TYP.)
待電氣自動化流(liu):ISTB=0.5μA(MAX.)
TOREX半導體(ti)行業通常具備COMS、傳紅外(wai)感(gan)應器器、場效應管等(deng)元(yuan)電子元(yuan)件(jian),物料(liao)以(yi)小(xiao)體(ti)型、特性非(fei)凡而出名。
河(he)南市立(li)維創(chuang)展科學限制我司(si),的優(you)勢分銷(xiao)商TOREX電原元件,非常多外盤庫(ku)存管理,歡迎(ying)大家合作協(xie)議。
商品詳情頁掌握TOREX請點擊量://www.imyme.cn/brand/62.html

主要(yao)參數 | Type | Output Voltage | Oscillation Frequency | Packages |
XC6366A152ER-G | VOUT type: internally set-up, Soft-start internally set-up | 1.5V | 180kHz | USP-6C |
XC6366A152MR-G | VOUT type: internally set-up, Soft-start internally set-up | 1.5V | 180kHz | SOT-25 |
XC6366A153ER-G | VOUT type: internally set-up, Soft-start internally set-up | 1.5V | 300kHz | USP-6C |
XC6366A153MR-G | VOUT type: internally set-up, Soft-start internally set-up | 1.5V | 300kHz | SOT-25 |
XC6366A155ER-G | VOUT type: internally set-up, Soft-start internally set-up | 1.5V | 500kHz | USP-6C |
XC6366A155MR-G | VOUT type: internally set-up, Soft-start internally set-up | 1.5V | 500kHz | SOT-25 |
XC6366A162ER-G | VOUT type: internally set-up, Soft-start internally set-up | 1.6V | 180kHz | USP-6C |
XC6366A162MR-G | VOUT type: internally set-up, Soft-start internally set-up | 1.6V | 180kHz | SOT-25 |
XC6366A163ER-G | VOUT type: internally set-up, Soft-start internally set-up | 1.6V | 300kHz | USP-6C |
XC6366A163MR-G | VOUT type: internally set-up, Soft-start internally set-up | 1.6V | 300kHz | SOT-25 |
XC6366A165ER-G | VOUT type: internally set-up, Soft-start internally set-up | 1.6V | 500kHz | USP-6C |
XC6366A165MR-G | VOUT type: internally set-up, Soft-start internally set-up | 1.6V | 500kHz | SOT-25 |
XC6366A172ER-G | VOUT type: internally set-up, Soft-start internally set-up | 1.7V | 180kHz | USP-6C |
XC6366A172MR-G | VOUT type: internally set-up, Soft-start internally set-up | 1.7V | 180kHz | SOT-25 |
XC6366A173ER-G | VOUT type: internally set-up, Soft-start internally set-up | 1.7V | 300kHz | USP-6C |
XC6366A173MR-G | VOUT type: internally set-up, Soft-start internally set-up | 1.7V | 300kHz | SOT-25 |
XC6366A175ER-G | VOUT type: internally set-up, Soft-start internally set-up | 1.7V | 500kHz | USP-6C |
XC6366A175MR-G | VOUT type: internally set-up, Soft-start internally set-up | 1.7V | 500kHz | SOT-25 |
XC6366A182ER-G | VOUT type: internally set-up, Soft-start internally set-up | 1.8V | 180kHz | USP-6C |
XC6366A182MR-G | VOUT type: internally set-up, Soft-start internally set-up | 1.8V | 180kHz | SOT-25 |
XC6366A183ER-G | VOUT type: internally set-up, Soft-start internally set-up | 1.8V | 300kHz | USP-6C |
XC6366A183MR-G | VOUT type: internally set-up, Soft-start internally set-up | 1.8V | 300kHz | SOT-25 |
XC6366A185ER-G | VOUT type: internally set-up, Soft-start internally set-up | 1.8V | 500kHz | USP-6C |
XC6366A185MR-G | VOUT type: internally set-up, Soft-start internally set-up | 1.8V | 500kHz | SOT-25 |
XC6366A192ER-G | VOUT type: internally set-up, Soft-start internally set-up | 1.9V | 180kHz | USP-6C |