餐飲行業快訊
推出(chu)事件:2023-05-19 16:50:59 閱覽(lan):1596
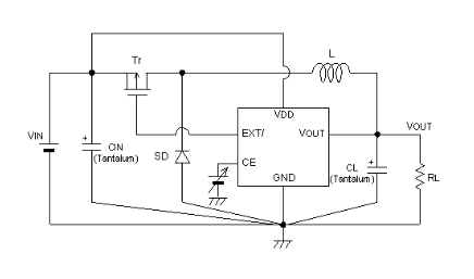
TOREX XC6365系列是內嵌(qian)高速度(du)低通態電(dian)阻(zu)控制(zhi)器(qi)的(de)通用型(xing)高頻(pin)率降(jiang)壓DC/DC控制(zhi)器(qi)集成電(dian)路。采(cai)用晶(jing)體(ti)管(guan),電(dian)感線圈,二極(ji)管(guan)和電(dian)容器(qi)共4種外置器(qi)件,可(ke)創建輸出電(dian)流為1A以上高效(xiao)率降(jiang)壓DC/DC轉換器(qi)。
XC6365系(xi)例操縱器能夠在1.5V~6.0V(精密度計算±2.5%)條件(jian)之(zhi)外(wai),以0.1V的間隔實現目標制定(ding)(VOUT型(xing))。有時候,除掉VOUT型(xing)之(zhi)余,還極(ji)具(ju)嵌到(dao)1.0V的基準值線工作電壓(ya)源,會外(wai)置元器件(jian)封裝任(ren)意尺寸設定(ding)打出線工作電壓(ya)的型(xing)號(FB型(xing))。
XC6365系(xi)保持器因啟(qi)閉幀(zhen)率高(gao)(gao)至300kHz,還可以動(dong)用微形(xing)外置元器。由(you)于,在由(you)小根(gen)據(ju)至大輸出(chu)工(gong)作電流的縱向(xiang)根(gen)據(ju)領(ling)域之中,高(gao)(gao)達獨(du)角獸(shou)高(gao)(gao)效能率。
XC6365系類設(she)定器(qi)軟發動事件有,在企業內(nei)部(bu)設(she)立為(wei)10ms的型(xing)(xing)號規(gui)格(A,B型(xing)(xing)),還有用(yong)于外置電(dian)阻器(qi)和(he)電(dian)不銹鋼容器(qi)器(qi)使用(yong)優(you)化提升的規(gui)格尺寸(C,D型(xing)(xing))。
進(jin)行(xing)待(dai)機性,可進(jin)行(xing)作業使瞬時電流耗損率高達mg0.5μA如下(CE端"L")。
XC6365型號的(de)控制開關(guan)鑲(xiang)入(ru)UVLO效果,當鍵入(ru)額定的(de)電壓在(zai)某個額定的(de)電壓工作(zuo)狀態(tai)時,會強(qiang)行(xing)性把外置結(jie)晶管內斷(duan)。
特質
復制粘貼電阻條件:2.2V~10V
傷害輸出功率范疇:1.5V~6.0V(0.1V跨(kua)距),±2.5%
運行頻繁:300kHz±15%,潛(qian)在客(ke)戶(hu)訂(ding)做(zuo)180,500kHz
輸出電(dian)壓電(dian)流(liu)值:1.0A(VIN=5.0V,VOUT=3.0V)
高改變轉化率:92%(TYP.)
待機械流(liu):ISTB=0.5μA(MAX.)
TOREX半導(dao)體(ti)行業主耍具(ju)備COMS、調節器器、肖特基(ji)二極(ji)管等元(yuan)配(pei)件,品牌以小體(ti)積大小、耐腐蝕性優勝而著(zhu)名(ming)人物(wu)。
武漢市立維(wei)創展科(ke)技(ji)機構有(you)局(ju)限機構,強勢分銷系統TOREX電(dian)元(yuan)件,豐富外盤庫存(cun)商品,歡迎語相互(hu)合(he)作。
詳情頁明白TOREX請彈窗://www.imyme.cn/brand/62.html

款型 | Type | Output Voltage | Oscillation Frequency | Packages |
XC6365A152ER-G | VOUT type: internally set-up, Soft-start internally set-up | 1.5V | 180kHz | USP-6C |
XC6365A152MR-G | VOUT type: internally set-up, Soft-start internally set-up | 1.5V | 180kHz | SOT-25 |
XC6365A153ER-G | VOUT type: internally set-up, Soft-start internally set-up | 1.5V | 300kHz | USP-6C |
XC6365A153MR-G | VOUT type: internally set-up, Soft-start internally set-up | 1.5V | 300kHz | SOT-25 |
XC6365A155ER-G | VOUT type: internally set-up, Soft-start internally set-up | 1.5V | 500kHz | USP-6C |
XC6365A155MR-G | VOUT type: internally set-up, Soft-start internally set-up | 1.5V | 500kHz | SOT-25 |
XC6365A162ER-G | VOUT type: internally set-up, Soft-start internally set-up | 1.6V | 180kHz | USP-6C |
XC6365A162MR-G | VOUT type: internally set-up, Soft-start internally set-up | 1.6V | 180kHz | SOT-25 |
XC6365A163ER-G | VOUT type: internally set-up, Soft-start internally set-up | 1.6V | 300kHz | USP-6C |
XC6365A163MR-G | VOUT type: internally set-up, Soft-start internally set-up | 1.6V | 300kHz | SOT-25 |
XC6365A165ER-G | VOUT type: internally set-up, Soft-start internally set-up | 1.6V | 500kHz | USP-6C |
XC6365A165MR-G | VOUT type: internally set-up, Soft-start internally set-up | 1.6V | 500kHz | SOT-25 |
XC6365A172ER-G | VOUT type: internally set-up, Soft-start internally set-up | 1.7V | 180kHz | USP-6C |
XC6365A172MR-G | VOUT type: internally set-up, Soft-start internally set-up | 1.7V | 180kHz | SOT-25 |
XC6365A173ER-G | VOUT type: internally set-up, Soft-start internally set-up | 1.7V | 300kHz | USP-6C |
XC6365A173MR-G | VOUT type: internally set-up, Soft-start internally set-up | 1.7V | 300kHz | SOT-25 |
XC6365A175ER-G | VOUT type: internally set-up, Soft-start internally set-up | 1.7V | 500kHz | USP-6C |
XC6365A175MR-G | VOUT type: internally set-up, Soft-start internally set-up | 1.7V | 500kHz | SOT-25 |
XC6365A182ER-G | VOUT type: internally set-up, Soft-start internally set-up | 1.8V | 180kHz | USP-6C |
XC6365A182MR-G | VOUT type: internally set-up, Soft-start internally set-up | 1.8V | 180kHz | SOT-25 |
XC6365A183ER-G | VOUT type: internally set-up, Soft-start internally set-up | 1.8V | 300kHz | USP-6C |
XC6365A183MR-G | VOUT type: internally set-up, Soft-start internally set-up | 1.8V | 300kHz | SOT-25 |
XC6365A185ER-G | VOUT type: internally set-up, Soft-start internally set-up | 1.8V | 500kHz | USP-6C |
XC6365A185MR-G | VOUT type: internally set-up, Soft-start internally set-up | 1.8V | 500kHz | SOT-25 |
XC6365A192ER-G | VOUT type: internally set-up, Soft-start internally set-up | 1.9V | 180kHz | USP-6C |
XC6365A192MR-G | VOUT type: internally set-up, Soft-start internally set-up | 1.9V | 180kHz | SOT-25 |
XC6365A193ER-G | VOUT type: internally set-up, Soft-start internally set-up | 1.9V | 300kHz | USP-6C |
XC6365A193MR-G | VOUT type: internally set-up, Soft-start internally set-up | 1.9V | 300kHz | SOT-25 |
XC6365A195ER-G | VOUT type: internally set-up, Soft-start internally set-up | 1.9V | 500kHz | USP-6C |
XC6365A195MR-G | VOUT type: internally set-up, Soft-start internally set-up | 1.9V | 500kHz | SOT-25 |
XC6365A202ER-G | VOUT type: internally set-up, Soft-start internally set-up | 2.0V | 180kHz | USP-6C |
XC6365A202MR-G | VOUT type: internally set-up, Soft-start internally set-up | 2.0V | 180kHz | SOT-25 |
XC6365A203ER-G | VOUT type: internally set-up, Soft-start internally set-up | 2.0V | 300kHz | USP-6C |
XC6365A203MR-G | VOUT type: internally set-up, Soft-start internally set-up | 2.0V | 300kHz | SOT-25 |
XC6365A205ER-G | VOUT type: internally set-up, Soft-start internally set-up | 2.0V | 500kHz | USP-6C |
XC6365A205MR-G | VOUT type: internally set-up, Soft-start internally set-up | 2.0V | 500kHz | SOT-25 |
XC6365A212ER-G | VOUT type: internally set-up, Soft-start internally set-up | 2.1V | 180kHz | USP-6C |
XC6365A212MR-G | VOUT type: internally set-up, Soft-start internally set-up | 2.1V | 180kHz | SOT-25 |
XC6365A213ER-G | VOUT type: internally set-up, Soft-start internally set-up | 2.1V | 300kHz | USP-6C |
XC6365A213MR-G | VOUT type: internally set-up, Soft-start internally set-up | 2.1V | 300kHz | SOT-25 |
XC6365A215ER-G | VOUT type: internally set-up, Soft-start internally set-up | 2.1V | 500kHz | USP-6C |
XC6365A215MR-G | VOUT type: internally set-up, Soft-start internally set-up | 2.1V | 500kHz | SOT-25 |
XC6365A222ER-G | VOUT type: internally set-up, Soft-start internally set-up | 2.2V | 180kHz | USP-6C |
XC6365A222MR-G | VOUT type: internally set-up, Soft-start internally set-up | 2.2V | 180kHz | SOT-25 |
XC6365A223ER-G | VOUT type: internally set-up, Soft-start internally set-up | 2.2V | 300kHz | USP-6C |
XC6365A223MR-G | VOUT type: internally set-up, Soft-start internally set-up | 2.2V | 300kHz | SOT-25 |
XC6365A225ER-G | VOUT type: internally set-up, Soft-start internally set-up | 2.2V | 500kHz | USP-6C |
XC6365A225MR-G | VOUT type: internally set-up, Soft-start internally set-up | 2.2V | 500kHz | SOT-25 |
XC6365A232ER-G | VOUT type: internally set-up, Soft-start internally set-up | 2.3V | 180kHz | USP-6C |
XC6365A232MR-G | VOUT type: internally set-up, Soft-start internally set-up | 2.3V | 180kHz | SOT-25 |