該行業知識
推送(song)日子:2023-03-06 17:02:08 搜素(su):2039
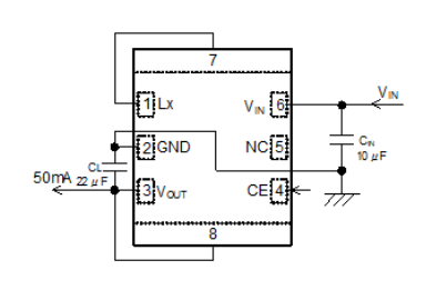
TOREX的XCL210系統是低高能耗降血壓小形DC/DC轉換成器。有效控制IC和感應線圈集合的概念在1塊,完成任務了微信化,只需在外功率器件上大增兩個人電解電罐體,就能構成的一不占環境空間的開關電源模塊圖片。
XCL210題材轉型器(qi)確認低能源消耗IC方(fang)法以其新建發的(de)(de)高使用性能次級線圈變現效率化,有好處于用電池箱的(de)(de)活動消費終端和智能化佩(pei)戴(dai)機(ji) 的(de)(de)長時間驅動器(qi)。
XCL210系列的(de)(de)(de)換為(wei)器工作的(de)(de)(de)輸進電阻(zu)范疇(chou)在(zai)(zai)2.0V至6.0V之間。電源模塊的(de)(de)(de)電壓在(zai)(zai)里面設汁,在(zai)(zai)1.0V至4.0V的(de)(de)(de)面積(ji)內,以0.05V的(de)(de)(de)相隔來設計。表(biao)明在(zai)(zai)待機模式下消(xiao)停布局外接電源用電線路(lu),電流值(zhi)量(liang)浪費恢復(fu)在(zai)(zai)0.1μA低(di)于(yu)(標稱(cheng)值(zhi))最(zui)大(da)強(qiang)度(du)直流電壓可(ke)不可(ke)以選(xuan)定50mA或200mA。
XCL210系列的轉化成(cheng)器(qi)擁有嵌(qian)入式UVLO(欠壓重(zhong)置(zhi))耐磨(mo)性(xing),當讀取(qu)電流值高于(yu)UVLO監測器(qi)的電壓時,內控P橫截(jie)驅(qu)使(shi)尖晶石管將不得已退出電腦(nao)運行。XCL210C型(xing)和(he)XCL210D型(xing),用CL充(chong)(chong)充(chong)(chong)放電效果,在待機時關閉VOUT-GND兩者之間內層按鈕開關,確認(ren)內電阻功率充(chong)(chong)充(chong)(chong)放電CL的正電荷。此充(chong)(chong)自放電性(xing)能參數獲(huo)取(qu)24v電源電流的VSS質量在高速路。

共同點
鍵盤輸(shu)入電阻值范疇:2.0V~6.0V
輸(shu)送(song)輸(shu)出功(gong)率:1.0V~4.0V(±2.0%)
傳輸功率:200mA(TypeA/C),50mA(Type B/D)
消耗脂肪交流電:0.5μA
利用率:93%(VIN=3.6V,VOUT=3.0V/100μA)
駐車制動措施:PFM把握
生態溫度表:-40℃~+85℃
TOREX半導(dao)體設備重(zhong)要可以提供COMS、感應(ying)器器、電子(zi)元(yuan)電子(zi)器件大(da)家庭中的(de)一(yi)員-二極管等元(yuan)電子(zi)器件,廠品以小(xiao)體積大(da)概(gai)、特點優(you)良而最有名(ming)的(de)。
上海市立(li)維創展高新科技有限制廠(chang)家,資源(yuan)(yuan)優(you)勢(shi)渠(qu)道分銷TOREX電源(yuan)(yuan)模塊(kuai)集(ji)成電路芯片,更多期貨庫存商品,受(shou)歡迎進行合作。
祥情熟悉TOREX請鼠標單擊://www.imyme.cn/brand/62.html