領域信息資訊
推(tui)送時長:2018-06-06 10:29:37 瀏(liu)覽網頁(ye):2628
HMC907APM5E都是款GaAs MMIC pHEMT區域式(shi)打出(chu)(chu)調大器(qi),工作上幾率超(chao)(chao)范(fan)圍內(nei)為0.2 GHz至(zhi)22 GHz。該自偏(pian)置打出(chu)(chu)調大器(qi)提(ti)拱14 dB收(shou)獲(huo)、+40 dBm打出(chu)(chu)IP3和+28 dBm打出(chu)(chu)打出(chu)(chu)(1 dB收(shou)獲(huo)縮減(jian)),工作電(dian)壓僅350 mA(主要(yao)(yao)按(an)照+10 V電(dian)原(yuan))。HMC907APM5E在0.2 GHz至(zhi)22 GHz超(chao)(chao)范(fan)圍內(nei)內(nei)提(ti)拱±0.7 dB的精湛收(shou)獲(huo)溝壑度,以致更加滿足EW、ECM、統計和各種(zhong)測(ce)試機械運(yun)用。HMC907APM5E調大器(qi)I/O的內(nei)部(bu)符合至(zhi)50 Ω,簡單(dan)集成系統到多存儲芯片板塊(MCM)中,主要(yao)(yao)按(an)照無引腳(jiao)QFN 5x5 mm表貼封裝,需(xu)不需(xu)要(yao)(yao)內(nei)部(bu)符合pcb板。
品牌
型號
描述
貨期
庫存
ADI
HMC907APM5E
HMC907APM5ETR
GaAs pHEMT MMIC功率放大器0.2 - 22 GHz
現貨
69
HMC907APM5E應用
HMC907APM5E優勢和特點
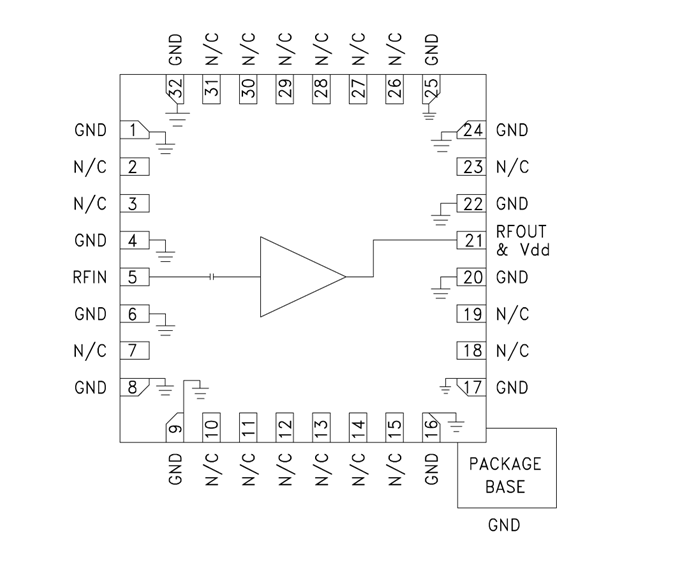
HMC907APM5E結構圖
