餐飲行業新聞資訊
發布了用(yong)時(shi):2022-05-20 17:10:16 閱(yue)讀:2000
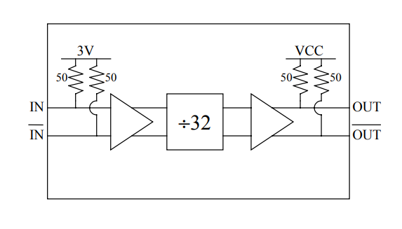
DV032是EUVIS的16針3x3mm塑料QFN高(gao)(gao)速封(feng)裝除以32靜態分頻器。由于(yu)輸入靈(ling)敏(min)度(du)高(gao)(gao),輸出相位噪聲(sheng)低,小規格尺(chi)寸,DV032廣(guang)泛應用于(yu)電訊、儀器儀表、無線電/雷達等領域。DV032接收0.2GHz(正弦(xian)波、直流方波)14GHz輸入頻(pin)率,需要(yao)一個 5V的單電源。

首要特性
?0.2-14GHz上行寬(kuan)帶
?低(di)相位(wei)躁聲:-140 dBc/Hz
?高(gao)顯示(shi)精確度(du)度(du):-25 dBm
?輸入幅值:800 mVp-p(差分)
?差動放入和輸出
?50? 錄入/效果阻抗匹(pi)配
?單交流電(dian)源:+5V
?電(dian)壓電(dian)流花費:72mA
?16針3x3mm朔(shuo)膠QFN二極管(guan)封(feng)裝
廣州(zhou)市市立維創(chuang)展自動(dong)化是(shi)EUVIS的進口(kou)代(dai)理(li)經銷處商,常見出具EUVIS的世界各(ge)國知名的迅速數模轉(zhuan)移DAC、馬上(shang)字母聲音頻率結合器DDS、復(fu)用技(ji)術DAC的集成(cheng)ic級物(wu)料,各(ge)類極速提取板卡(ka)、動(dong)態圖片弧(hu)形出現器等物(wu)料,原廠期(qi)貨,多少錢優越,歡(huan)迎(ying)會質(zhi)詢。
商(shang)品詳情清楚(chu)EUVIS請超鏈接://www.imyme.cn/brand/24.html