業資訊、短視頻軟件
發布消息時刻(ke):2022-05-12 16:34:31 搜索(suo):2068
現今市場上TI的(de)(de)原(yuan)(yuan)材料(liao)清單TPS82130、TPS82140、TPS82150過剩,造成 方(fang)法商房(fang)價升值(zhi)高達50倍(bei),IC的(de)(de)原(yuan)(yuan)始的(de)(de)社會價值(zhi)就(jiu)已被偏移。誠然(ran)TI的(de)(de)原(yuan)(yuan)材料(liao)清單的(de)(de)質量(liang)無需嚴格,被國內企(qi)業客戶認為,怎么樣改善愈來愈窘境,臺達Cyntec擇(ze)機(ji)要求了(le)pin to pin原(yuan)(yuan)位代替品策劃方(fang)案。
具體型號 | 鍵入相電壓 | 輸入輸出電流 | 電流量 |
TPS82130 | 3~17V | 0.9~6V | 3A |
TPS82140 | 3~17V | 0.9~6V | 2A |
TPS82150 | 3~17V | 0.9~6V | 1A |
TPSM82903 | 3~17V | 0.4~5.5V | 3A |
這種徵型POL電源線傳感器,密度小,僅為3.0mm x 2.8mm x 1.5mm,集變為了DC-DC集成電路芯片、電感,非常大的地減化了企業客戶裝修設計,的同時能能給出極好EMI性能特點。

而Cyntec的原位替代產品 MUN12CAD03-SEC , 以完全不用改動PCB,并且以超低的紋波特性,被廣泛應用于儀表、通信、服務器等領域。
1. 運作對照(zhao)
規格型號 | 厚度 | 填寫的電壓 | 輸入輸出線電壓 | 工作電流 | Vfb |
TPS82130 | 2.8*3.0*1.5mm | 4.5~17.0V | 0.9~6.0V | 3A | 0.8V |
MUN12AD03-SEC | 2.8*3.0*1.5mm | 4.5~17.0V | 0.8~5.5V | 3A | 0.6V |
2. 代替選用指點:
(1)TPS82130是順利通過內外的輸出功率鉗位掌控再啟動前一天的輸出的輸出功率斜率,來防止過大的浪涌工作電流并保證 受控(kong)的(de)(de)(de)(de)(de)內容(rong)輸(shu)(shu)(shu)(shu)(shu)出(chu)相(xiang)電壓(ya)攀(pan)升時間。當 EN引腳(jiao)(jiao)被(bei)拉高時,元件會在(zai) 55μs(一般值(zhi)(zhi)(zhi))的(de)(de)(de)(de)(de)網絡延遲后始于(yu)旋鈕(niu),還有就是輸(shu)(shu)(shu)(shu)(shu)出(chu)的(de)(de)(de)(de)(de)電壓(ya)值(zhi)(zhi)(zhi)輸(shu)(shu)(shu)(shu)(shu)出(chu)的(de)(de)(de)(de)(de)電壓(ya)值(zhi)(zhi)(zhi)輸(shu)(shu)(shu)(shu)(shu)出(chu)的(de)(de)(de)(de)(de)相(xiang)輸(shu)(shu)(shu)(shu)(shu)出(chu)的(de)(de)(de)(de)(de)電壓(ya)值(zhi)(zhi)(zhi)輸(shu)(shu)(shu)(shu)(shu)出(chu)以由接連(lian)到(dao)(dao) SS/TR 引腳(jiao)(jiao)的(de)(de)(de)(de)(de)冗余電金(jin)屬罐(guan)(guan)等器(qi)管理的(de)(de)(de)(de)(de)斜率變高。憑借運(yun)行更加小的(de)(de)(de)(de)(de)電金(jin)屬罐(guan)(guan)等器(qi)或(huo)(huo)使 SS/TR 引腳(jiao)(jiao)傾斜,可進行比較(jiao)快的(de)(de)(de)(de)(de)無非(fei)期限(xian)。TPS82130 夠無非(fei)至預偏(pian)(pian)置輸(shu)(shu)(shu)(shu)(shu)出(chu)的(de)(de)(de)(de)(de)電壓(ya)值(zhi)(zhi)(zhi)輸(shu)(shu)(shu)(shu)(shu)出(chu)的(de)(de)(de)(de)(de)電壓(ya)值(zhi)(zhi)(zhi)輸(shu)(shu)(shu)(shu)(shu)出(chu)的(de)(de)(de)(de)(de)電金(jin)屬罐(guan)(guan)等器(qi)。在(zai)預偏(pian)(pian)置無非(fei)其間,在(zai)實物(wu)相(xiang)輸(shu)(shu)(shu)(shu)(shu)出(chu)的(de)(de)(de)(de)(de)電壓(ya)值(zhi)(zhi)(zhi)輸(shu)(shu)(shu)(shu)(shu)出(chu)鉗位將(jiang)輸(shu)(shu)(shu)(shu)(shu)出(chu)的(de)(de)(de)(de)(de)電壓(ya)值(zhi)(zhi)(zhi)輸(shu)(shu)(shu)(shu)(shu)出(chu)的(de)(de)(de)(de)(de)電壓(ya)值(zhi)(zhi)(zhi)輸(shu)(shu)(shu)(shu)(shu)出(chu)的(de)(de)(de)(de)(de)相(xiang)輸(shu)(shu)(shu)(shu)(shu)出(chu)的(de)(de)(de)(de)(de)電壓(ya)值(zhi)(zhi)(zhi)輸(shu)(shu)(shu)(shu)(shu)出(chu)安(an)裝為要高于(yu)預偏(pian)(pian)置相(xiang)輸(shu)(shu)(shu)(shu)(shu)出(chu)的(de)(de)(de)(de)(de)電壓(ya)值(zhi)(zhi)(zhi)輸(shu)(shu)(shu)(shu)(shu)出(chu)開始之前,的(de)(de)(de)(de)(de)兩個(ge)輸(shu)(shu)(shu)(shu)(shu)出(chu) MOSFET 無非(fei)取消。當元件趨于(yu)穩定(ding)關斷、欠壓(ya)綁定(ding)或(huo)(huo)熱關斷情(qing)況時,接連(lian)到(dao)(dao) SS/TR 引腳(jiao)(jiao)的(de)(de)(de)(de)(de)電金(jin)屬罐(guan)(guan)等器(qi)由實物(wu)電阻值(zhi)(zhi)(zhi)器(qi)自放電。從他們情(qing)況取到(dao)(dao)會會造(zao)成新的(de)(de)(de)(de)(de)無非(fei)隊列(lie)。
是由于MUN12AD03-SEC的SS軟(ruan)啟用(yong)與TPS82130有對比,MUN12AD03-SEC不需求在整(zheng)個導出端接的L22電感(gan)/磁珠,則需用(yong)認定上電時序。關聯(lian)性(xing)公(gong)試(shi)正(zheng)確:

(2)TPS82130與MUN12AD03-SEC的辦公紋波試驗但是(shi)以下幾點

臺達的的產品(pin)產品(pin)質量,能(neng)(neng)能(neng)(neng)截(jie)然需求高精密度(du)較的電請求。
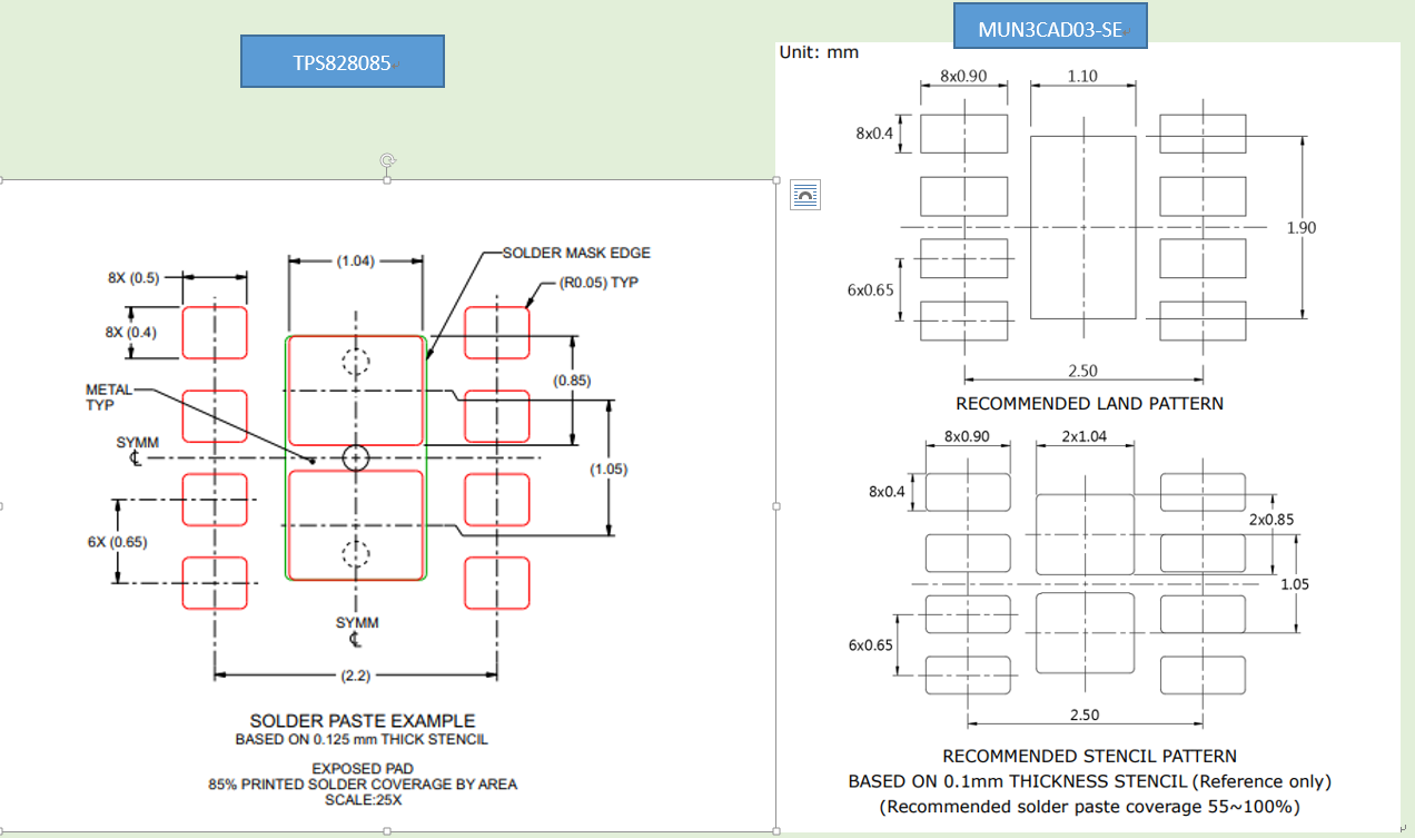
3. 廠(chang)品(pin)的貼片工(gong)步需要注意(yi)須知:
TI的貨位鋼網尺寸大小太小,引起鋼網過錫量不高挺。板厚過大,這些情況下如參閱Cyntec的溫度表Reflow,則會冒出錫料發展率太高出現了斷層,空洞。即內似不上錫的情況下。則覺得從TPS82130變換下來的貼片 ,時候提(ti)升(sheng)在這個(ge)SMT鋼(gang)網 。
佛山市(shi)立維創展科技信息(xi)授權證書進口(kou)(kou)代理Cyntec全部(bu)廠(chang)品,專注于為合(he)作方提拱了高口(kou)(kou)感、優水(shui)平、物品報價房屋公證的主機電(dian)源模快廠(chang)品。廠(chang)品原版進口(kou)(kou)報關,水(shui)平 保障,全為在(zai)我國內地(di)市(shi)面提拱了技術認(ren)可,喜歡(huan)聯系。
寶貝詳情學習Cyntec請(qing)彈框://www.imyme.cn/brand/16.html