職業資訊、短視頻軟件
更新時光:2022-02-10 17:02:04 閱讀:1406
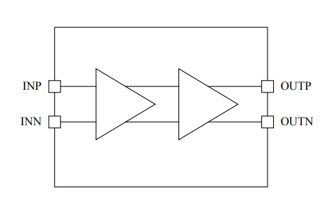
EUVIS LI370差(cha)(cha)分放大器(qi)1GHz時的總諧波(bo)失(shi)(shi)真(zhen)度為(wei)(wei)0.2%(-55dBc),3GHz時的總諧波(bo)失(shi)(shi)真(zhen)度為(wei)(wei)0.5%(-46dBc),輸出為(wei)(wei)1.2Vp-p(0.6Vp-p單(dan)端)。LI370放大器(qi)可作(zuo)為(wei)(wei)單(dan)端到(dao)差(cha)(cha)分、單(dan)端到(dao)單(dan)端、差(cha)(cha)分到(dao)單(dan)端或(huo)差(cha)(cha)分到(dao)差(cha)(cha)分放大器(qi)。輸入(ru)和輸出均為(wei)(wei)0V偏置,以完成(cheng)與大部分專(zhuan)用設備的理想(xiang)端口(kou)。小信號(hao)3dB帶寬為(wei)(wei)4GHz,而從DC到(dao)2GHz保持(chi)±0.2dB增益平(ping)坦(tan)度。

大部分本質特征
?4GHz小數據(ju)信息傳輸速率(lv)
?±0.2dB增加收益平滑度DC至2GHz
?12dB差分,6dB單端小警報收獲
?1GHz時(shi)0.2%總諧(xie)波偏色,1.2Vp-p差(cha)分(0.6Vp-pS.E.)效(xiao)果(guo)
?3GHz下0.5%的總諧波失幀(zhen),1.2Vp-p差分(fen)(0.6Vp-pS.E.)輸(shu)出
?討論(lun)會或DC錄入藕合
?洽(qia)談或DC效果(guo)藕合
?低群廷遲變
?低發抖
?低2nV/√HZ輸出考生(sheng)背(bei)景噪聲
?雙+5V和-5V觸點(dian)開關電(dian)原
?1.7W功能鍵耗費
鄭州市(shi)立維創展科學是EUVIS的加(jia)盟商加(jia)盟商商,注意提(ti)高(gao)EUVIS的全球性(xing)新銳的快速路數模轉移DAC、單獨字母速度自動(dong)(dong)合成器(qi)DDS、多路復用(yong)DAC的集(ji)成電路芯片(pian)級廠品,同時高(gao)速公路采摘板卡、動(dong)(dong)態(tai)性(xing)波(bo)型(xing)再次等離(li)子發(fa)生器(qi)等廠品,原廠現貨黃金,價格多少優劣勢,歡迎圖(tu)片(pian)管(guan)理咨(zi)詢(xun)。
商(shang)品詳情(qing)要了解(jie)EUVIS請打開網頁://www.imyme.cn/brand/24.html