該行業信息資訊
發表用時:2018-07-11 15:05:17 訪問:2035
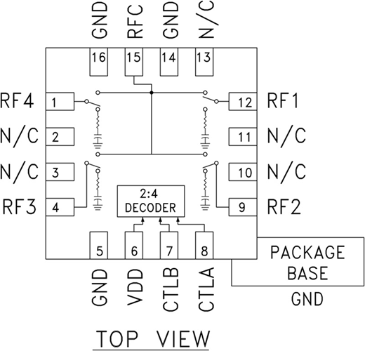
HMC345ALP3E是一款寬帶非反射GaAs MESFET SP4T開關,采用低成本無引腳表貼封裝。該開關頻率范圍為DC至8 GHz,具有高隔離和低插入損耗。立維創展該開(kai)關還集成了板載(zai)二(er)進制解(jie)碼電(dian)路,將所需邏輯控制線減至兩條。該開(kai)關采用0/+5V正控制電(dian)壓工作,所需固定偏置為+5V。
*端口RFC和RF1、2、3和4需配有隔直電容。它們的值決定最低傳輸頻率。
若您有任何人疑問句,請去聯系我門立維創展,我門會盡非常大積極為您提供服務保障。
品牌
型號
描述
貨期
庫存
ADI
HMC345ALP3E
HMC345ALP3ETR
GaAs MMIC SP4T非反射式正控制開關,DC* - 8 GHz
現貨
112
HMC345ALP3E應用
該控制開關使用于于DC - 8.0 GHz 50 Ω或75 Ω軟件:
HMC345ALP3E優勢和特點
HMC345ALP3E結構圖
