該行業新聞咨詢
發(fa)布消息精力(li):2018-07-10 13:58:18 預覽(lan):7436
| 品牌 | 型號 | 描述 | 貨期 | 庫存 |
| ADI |
HMC547ALC3 HMC547ALC3TR |
GaAs MMIC SPDT非反射式開關,DC - 28.0 GHz | 現貨 | 233 |
HMC547ALC3軟件應用
HMC547ALC3優勢和特點
45 dB (10 GHz)
39 dB (20 GHz)
1.9 dB (10 GHz)
2.2 dB (20 GHz)
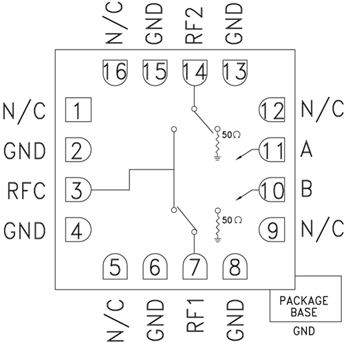
HMC547ALC3結構圖
