HMC713LP3ETR/HMC713LP3E對數計算檢波器/操控器 ADI期貨
發布新聞(wen)時間段:2018-07-09 12:01:46 閱覽:6927
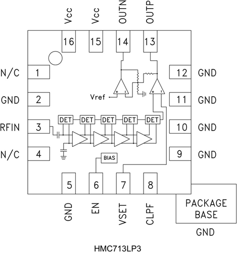
HMC713LP3E對數計算計算檢波器/管理器極為合適將RF數據(50 MHz至8000 MHz頻段的條件內)的熱效率在工作輸出電流電壓的電流電壓端更換為與工作輸出電流電壓熱效率不成比例的直流電源的電流電壓。 HMC713LP3E采取間隔縮小新技術,可在寬工作輸出電流電壓頻段的條件內打造兼具高預估計算精度的54 dB動態信息的條件。 跟著工作輸出電流電壓數據增多,間隔擴大器慢慢的流入過剩,若想生產精確度高的對數計算計算函數公式接近值。 一系檢波器工作輸出電流電壓的電流電壓求和、更轉成的電流電壓域并減慢驅動程序OUTP工作輸出電流電壓的電流電壓。
若您有其中問題,請連接企業立維創展,企業會盡最大程度努力奮斗為您效勞的。
在檢查測量傳統模式下,OUTP引腳對接到VSET顯示,提拱17 mV/dB標稱對數計算斜率和-68 dBm截距。
HMC713LP3E也是可以在操縱器形式 下施用,在該形式 下向VSET引腳施加壓力表面相電壓以保持AGC或APC匯報環路。
|
品牌
|
型號
|
描述
|
貨期
|
庫存
|
|
ADI
|
HMC713LP3ETR
HMC713LP3E
|
54 dB對數檢波器/控制器,采用SMT封裝,50 - 8000 MHz
|
現貨
|
170
|
HMC713LP3ETR廣泛應用
-
蜂窩基礎設施
-
WiMAX, WiBro和amp; LTE/4G
-
電源監控和控制電路
-
接收機信號強度指示(RSSI)
-
蜂窩基礎設施
-
自動增益和功率控制
HMC713LP3ETR優勢和特點
-
寬動態范圍: 高達54 dB
-
高精度: ±1 dB (54 dB)
范圍高達2.7 GHz
-
快速輸出響應時間
-
電源電壓: +2.7至+5.5V
-
省電模式
-
出色的溫度穩定性
-
16引腳3x3 mm SMT封裝: 9mm2
HMC713LP3ETR結構圖
