HMC265LM3/HMC265LM3TR點到點手機無線電下變頻器 ADI期貨
發布(bu)的(de)時間間隔(ge):2018-07-06 15:50:11 觀(guan)看:1910
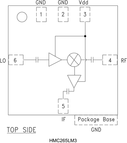
HMC265LM3就是一款集合LO和IF調小器的20 - 31 GHz表貼次諧波(x2) MMIC混頻器下變頻器,利用SMT無引腳電源芯片膜蛋白封口類型。 在28至47 dB時,2LO至RF和IF消毒耐腐蝕性出眾的,無須額外的濾波。 LO調小器利用單偏置(+3V至+4V)單級結構設計,僅需-4 dBm的推動。 很多數劇均實現裝置在50 ?測試儀夾具設計中的非封好型、改性環氧聚氨酯聚氨酯封好LM3封口類型電子器件得到 。 立維創展HMC265LM3利用HMC265LM3即無須線焊,導致為客人展示相符的接口類型。
|
品牌
|
型號
|
描述
|
貨期
|
庫存
|
|
ADI
|
HMC265LM3
HMC265LM3TR
|
次諧波混頻器,采用SMT封裝,20 - 31 GHz
|
現貨
|
123
|
HMC265LM3應(ying)用
-
20和31 GHz微波無線電
-
點對點無線電下變頻器
HMC265LM3優勢和特點
-
集成LO放大器: -4 dBm輸入
-
次諧波(x2) LO
-
高2LO/RF隔離: >28 dB
-
LM3 SMT封裝
HMC265LM3結構圖
