HMC338LC3B/HMC338LC3BTR軍用裝備模塊化LO混頻器 ADI外盤
正(zheng)式發布(bu)期限:2018-07-06 15:36:46 打開網頁:7357
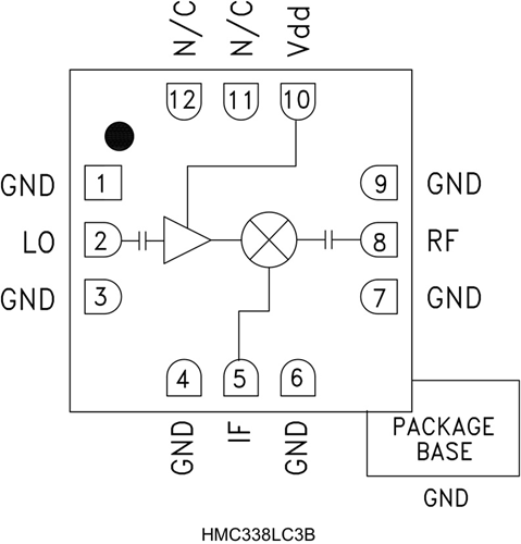
HMC338LC3B是一種款整合LO擴大器的24 - 34 GHz次諧波(x2) MMIC混頻器,用于符合國家RoHS準則的無引腳SMT芯片封裝。 在30 dB時,2LO至RF隔開性能方面突出,不必減半濾波。 LO擴大器用于單偏置(+3V到+4V)定制,需-5 dBm的標稱安裝驅動。 RF和LO服務器端口號為隔直服務器端口號并連接50 ?,運用利于,時候IF的運行頻繁空間為DC至3 GHz。 HMC338LC3B不必線焊,就可以運用表貼創造系統。
|
品牌
|
型號
|
描述
|
貨期
|
庫存
|
|
ADI
|
HMC338LC3B
HMC338LC3BTR
|
次諧波混頻器,采用SMT封裝,24 - 34 GHz
|
現貨
|
237
|
軟件
-
點對點無線電
-
點對多點無線電和VSAT
-
測試設備和傳感器
-
軍用最終用途
-
SATCOM
HMC338LC3B優勢和特點
-
集成LO放大器: -5 dBm輸入
-
次諧波(x2) LO
-
DC - 3 GHz帶寬IF
-
符合RoHS標準的3x3 mm SMT封裝
-
單正電源: +4V (31mA)
HMC338LC3B結構圖
