HMC404/HMC404-SX融合LO變小器IC芯片 ADI期貨
上(shang)線周期:2018-07-06 13:51:03 手機瀏覽:2928
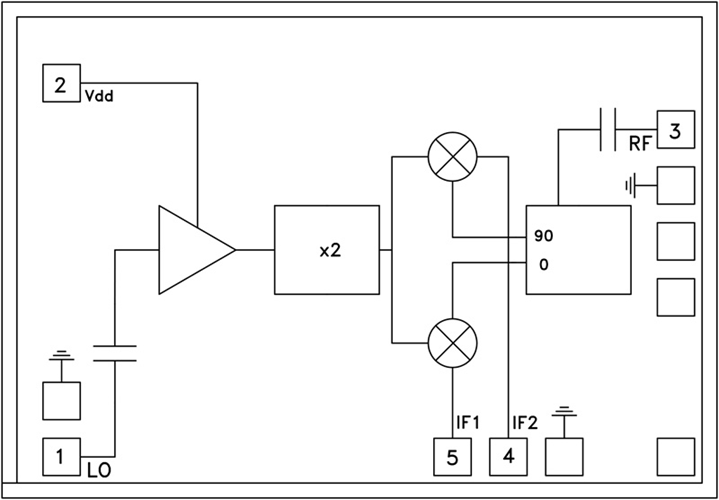
HMC404IC集成ic也是款整合LO擴大器的次諧波(x2) MMIC系統鏡像文件緩和混頻器,也可以作上變頻柜式器或下變頻柜式器。 該IC集成ic憑借GaAs PHEMT科技,IC集成ic整體化的面積為2.31mm2。 片內90°混合物器材提高優秀的振動幅度和相位靜態平衡機械性能,系統鏡像文件緩和以上22 dB。 LO擴大器采取單偏置(+4V)冷凝機組裝修設計,僅需+2 dBm的標稱驅動程序。
|
品牌
|
型號
|
描述
|
貨期
|
庫存
|
|
ADI
|
HMC404
HMC404-SX
|
GaAs MMIC次諧波IRM混頻器芯片,26 - 33 GHz
|
現貨
|
238
|
HMC404應用
-
26至33 GHz微波無線電
-
針對點對點無線電應用的上下變頻器
HMC404優勢和特點
-
集成LO放大器: +2 dBm輸入
-
次諧波(x2) LO
-
鏡像抑制: 22 dB
-
小尺寸: 1.90 x 1.25 mm
HMC404結構圖
