制造行業資迅
發布公告(gao)時:2018-07-05 10:41:08 觀看:2529
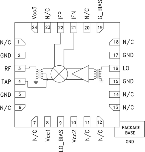
HMC786LP4E是一款集成LO放大器的高動態范圍無源MMIC混頻(pin)(pin)(pin)(pin)器,采(cai)(cai)用(yong)4x4 SMT QFN封裝(zhuang),工作頻(pin)(pin)(pin)(pin)率(lv)范圍為(wei)(wei)0.7至1.1 GHz。 LO驅動為(wei)(wei)0 dBm時(shi),3G和4G GSM/CDMA應用(yong)具有+40 dBm的出色輸入IP3下(xia)變頻(pin)(pin)(pin)(pin)性能。 采(cai)(cai)用(yong)1dB (+25 dBm)輸入壓縮時(shi),RF端口支持各種輸入信號電平。 轉換損耗為(wei)(wei)7.5 dB(典型值)。 高(gao)達250 MHz的IF頻(pin)(pin)(pin)(pin)率(lv)響應可(ke)滿足GSM/CDMA發射(she)或接收(shou)頻(pin)(pin)(pin)(pin)率(lv)計(ji)劃要求。 立維創展HMC786LP4E針對0.7 - 1.1 GHz RF頻(pin)(pin)(pin)(pin)段高(gao)端LO頻(pin)(pin)(pin)(pin)率(lv)計(ji)劃進行了優化,并(bing)與HMC686LP4E引(yin)腳兼容(rong)。
| 品牌 | 型號 | 描述 | 貨期 | 庫存 |
| ADI |
HMC786LP4E HMC786LP4ETR |
集成LO放大器的BiCMOS混頻器,0.7 - 1.1 GHz | 現貨 | 105 |
HMC786LP4E應用
HMC786LP4E優勢和特點
