HMC6146BLC5A/HMC6146BLC5ATR無線數字電可變性增加收益上直流變頻空調器 ADI現貨黃金
推送(song)時:2018-07-04 10:06:39 閱讀:6780
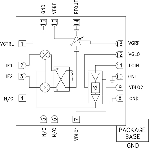
HMC6146BLC5A就是一款省油的suv型GaAs MMIC I/Q可調氣門正時增加收益操控上交流伺服帶動器,選取無引腳RoHS兼容型SMT二極管封裝。 該元件出具12 dB小數據信息轉為增加收益操控,擁有25 dBc邊帶限制和17 db增加收益操控操控。 HMC 6146BLC5A選取RF可調氣門正時增加收益操控放小器,在其以后為一款I/Q混頻器,LO由X2倍頻器帶動。 出具IF1和IF2混頻器輸人,而且可實現外表90°分層選澤流程邊帶。
I/Q混頻器拓撲關系變低了專門針對電磁干擾邊帶來濾波的的要求。 HMC6146BLC5A是款更精巧、可不可以帶替混合型喂養單側戴上直流變頻空調器的品牌,大力支持表貼制做技木,需線焊。
|
品牌
|
型號
|
描述
|
貨期
|
庫存
|
|
ADI
|
HMC6146BLC5A
HMC6146BLC5ATR
|
GaAs MMIC I/Q上變頻器,40 - 44 GHz
|
現貨
|
198
|
HMC6146BLC5A應用
-
點對點與
點對多點無線電
-
軍用雷達、EW與ELINT
-
衛星通信
HMC6146BLC5A優勢和特點
-
轉換增益:12 dB
-
邊帶抑制:25 dBc
-
2LO至RF隔離:15 dB
-
高輸出IP3:+27 dBm
-
16引腳5x5 mm陶瓷封裝:25 mm2
HMC6146BLC5A結構圖
