HMC1113LP5E/HMC1113LP5ETR表貼封裝緊密型下交流軟啟動 ADI期貨
推出時(shi)間間隔(ge):2018-07-03 10:16:58 搜(sou)索:2468
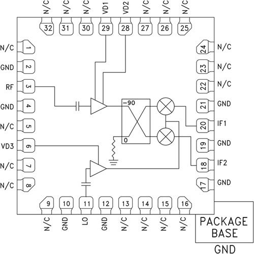
HMC1113LP5E是一種款主體工程型GaAs MMIC I/Q下伺服器,分為無鉛5 x 5 mm低能力注塑成型塑料材質表貼裝封。 該元元器材提供了12 dB的小數據轉為增加收益、1.8 dB的低頻噪音指數公式和25 dBc的isoiso鏡像軟件系統系統能夠減弱功效。 HMC1113LP5E分為LNA,后接由LO緩存器拖動器驅動安裝的isoiso鏡像軟件系統系統能夠減弱混頻器。 該isoiso鏡像軟件系統系統能夠減弱混頻器因此LNA時候不用用到濾波器,并可削除isoiso鏡像軟件系統系統率下的熱低頻噪音。 它擁有I/Q混頻器輸出電壓,必需外部結構90°搭配法型元元器材主要用于挑選必需邊帶。 HMC1113LP5E為搭配法型isoiso鏡像軟件系統系統能夠減弱混頻器下伺服器配置文件的超小型替代品元元器材,它不用線焊,可用到表貼加工方法。
|
品牌
|
型號
|
描述
|
貨期
|
庫存
|
|
ADI
|
HMC1113LP5E
HMC1113LP5ETR
|
GaAs MMIC I/Q下變頻器,10 - 16 GHz
|
現貨
|
257
|
HMC1113LP5E運用
-
點對點和點對多點無線電
-
軍用雷達、EW和ELINT
-
衛星通信
HMC1113LP5E優勢和特點
-
換為增益控制:12 dB
-
鏡象控制:25 dBc
-
LO至RF底部隔離:45 dB
-
燥音標準值:1.8 dB
-
IP3:1 dBm
-
32引腳5 x 5 mm SMT封裝形式
HMC1113LP5E結構圖
