HMC1063LP3E/HMC1063LP3ETR家用suvsuv型I/Q MMIC混頻器 ADI現貨平臺
發表時(shi)光:2018-07-02 14:41:15 訪問:1899
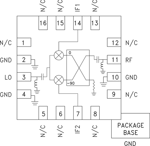
HMC1063LP3E也是款寬敞型I/Q MMIC混頻器,選用“無鉛”SMT封口,會用作系統鏡像文件可壓制混頻器或一側攜帶伺服電機式器。 該混頻器選用兩人標準的Hittite雙取舍混頻器象限和一兩個九十度搭配元元器封裝,均選用GaAs Schottky整流二極管加工過程研發。 底頻正交搭配元元器封裝適用于存在1,000 MHz LSB IF的輸出。 該護膚品為搭配型系統鏡像文件可壓制混頻器和一側攜帶伺服電機式器應用程序的中小型代換元元器封裝。 HMC1063LP3E不要線焊,會應用表貼研發技術工藝。
|
品牌
|
型號
|
描述
|
貨期
|
庫存
|
|
ADI
|
HMC1063LP3E
HMC1063LP3ET
|
GaAs MMIC I/Q混頻器,24 - 28 GHz
|
現貨
|
259
|
HMC1063LP3E應用
-
點對點和點對多點無線電
-
軍用雷達、EW和ELINT
-
衛星通信
-
傳感器
HMC1063LP3E優勢和特點
-
低LO功率: 10 dBm
-
寬IF帶寬: DC - 3 GHz
-
鏡像抑制: 21 dBc
-
LO/RF隔離: 40 dB
-
高輸入IP3: 17 dBm
-
16引腳3x3 mm SMT封裝: 9 mm2
HMC1063LP3E結構圖
