企業信息資訊
更新時(shi)候:2019-12-11 15:18:47 查詢:2813
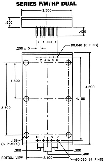
HPD48D壓力大輸出定頻(pin)供電包塊一款PICO的HPD系列大功率DC-DC更換器,可帶來200-380VDC的寬內容輸出的輸出功率,時維持內容輸出維持,兼具全面性的過的輸出功率、過高和連著燒壞保護英文模塊。
HPD48D轉換成(cheng)器(qi)利(li)用雙(shuang)屏蔽輸出,兼(jian)有(you)漏電守護、導入額定電壓守護和環境溫度發熱自動化停止、無需外設配(pei)件的(de)(de)電路(lu)調和過載調、英國裝配的(de)(de)高(gao)強(qiang)度更高(gao)的(de)(de)效(xiao)率(lv)裝修(xiu)設(she)計(ji),擁有Pico高(gao)品質和模(mo)塊進行,使(shi)它(ta)能否(fou)需(xu)(xu)要很(hen)嚴格(ge)的工商(shang)業需(xu)(xu)要。

HPD48D具代表性特(te)質:
頻率: 100 Khtz
操作熱度(du):0℃ - +85℃
檢查標準: 25℃的環(huan)境
隔離防(fang)曬原(yuan)則錄入: 2121 VDC
隔離基準價(jia)輸入: 1000 VDC
防護隔離搜索傳輸: 4242 VDC
內(nei)存溫差: -55℃至+105℃
HPD48D決(jue)定性基本參數(shu):
寬(kuan)顯示(shi)電壓降200~380Vdc
高規格輸出100W
的輸出(chu)電流3.3~100V
更改(gai)的頻率100KHz
PCB板載裝封
雙(shuang)安全通道隔離防曬保證
長沙市立維創展科學是PICO司供應(ying)商(shang)(shang)供應(ying)商(shang)(shang)商(shang)(shang),常見(jian)打造(zao)PICO廠(chang)品(pin)的開關(guan)(guan)開關(guan)(guan)電(dian)源適(shi)配(pei)(pei)(pei)(pei)(pei)器(qi)(qi)(qi)(qi)(qi)引擎、軍品(pin)開關(guan)(guan)開關(guan)(guan)電(dian)源適(shi)配(pei)(pei)(pei)(pei)(pei)器(qi)(qi)(qi)(qi)(qi)引擎、低(di)壓開關(guan)(guan)開關(guan)(guan)電(dian)源適(shi)配(pei)(pei)(pei)(pei)(pei)器(qi)(qi)(qi)(qi)(qi)引擎、小規模低(di)壓變(bian)壓器(qi)(qi)(qi)(qi)(qi)、MIL-PRF-21038/27的標準(zhun)配(pei)(pei)(pei)(pei)(pei)電(dian)配(pei)(pei)(pei)(pei)(pei)電(dian)變(bian)壓器(qi)(qi)(qi)(qi)(qi)、輸(shu)(shu)入(ru)脈沖(chong)配(pei)(pei)(pei)(pei)(pei)電(dian)配(pei)(pei)(pei)(pei)(pei)電(dian)變(bian)壓器(qi)(qi)(qi)(qi)(qi)、400MHz功效變(bian)電(dian)器(qi)(qi)(qi)(qi)(qi)、MIL-STD-1553音頻軟(ruan)件(jian)接(jie)口(kou)電(dian)力電(dian)力變(bian)壓器(qi)(qi)(qi)(qi)(qi)、音頻軟(ruan)件(jian)電(dian)力電(dian)力變(bian)壓器(qi)(qi)(qi)(qi)(qi)、輸(shu)(shu)出輸(shu)(shu)出電(dian)調節(jie)器(qi)(qi)(qi)(qi)(qi)、超(chao)小型(xing)輸(shu)(shu)出輸(shu)(shu)出電(dian)感(gan)、EMI電(dian)調節(jie)器(qi)(qi)(qi)(qi)(qi)、薄(bo)型(xing)DC-DC24v電(dian)源組件(jian)、警用DC-DC開關(guan)(guan)電(dian)源功能模塊(kuai)(kuai)(kuai)、磚(zhuan)型(xing)DC-DC開關(guan)(guan)電(dian)源功能模塊(kuai)(kuai)(kuai)、超(chao)高壓DC-DC開關(guan)(guan)電(dian)源傳(chuan)感(gan)器(qi)(qi)(qi)(qi)(qi)、AC-DC外(wai)接(jie)電(dian)源功能、座談會-整流(liu)主機(ji)(ji)外(wai)接(jie)電(dian)壓適(shi)配(pei)(pei)(pei)(pei)(pei)器(qi)(qi)(qi)(qi)(qi)版塊(kuai)(kuai)(kuai)、防(fang)護隔離主機(ji)(ji)外(wai)接(jie)電(dian)壓適(shi)配(pei)(pei)(pei)(pei)(pei)器(qi)(qi)(qi)(qi)(qi)版塊(kuai)(kuai)(kuai)、中國航空主機(ji)(ji)外(wai)接(jie)電(dian)壓適(shi)配(pei)(pei)(pei)(pei)(pei)器(qi)(qi)(qi)(qi)(qi)版塊(kuai)(kuai)(kuai)等(deng)多(duo)工作主機(ji)(ji)外(wai)接(jie)電(dian)壓適(shi)配(pei)(pei)(pei)(pei)(pei)器(qi)(qi)(qi)(qi)(qi)版塊(kuai)(kuai)(kuai)及主機(ji)(ji)外(wai)接(jie)電(dian)壓適(shi)配(pei)(pei)(pei)(pei)(pei)器(qi)(qi)(qi)(qi)(qi)轉移器(qi)(qi)(qi)(qi)(qi)。邀(yao)請在(zai)線咨(zi)詢(xun)