HMC465LP5/HMC465LP5E/HMC465LP5ETR地域分布式架構驅動軟件放小器 ADI現貨黃金
更新周期(qi):2018-06-26 14:34:00 瀏覽網頁:6841
HMC465LP5(E)一款GaAs MMIC PHEMT地理分散式能夠縮放器,用到5x5 mm無引腳表貼封裝類型,在DC到20 GHz的頻段使用比率內工做。 該縮放器保證15 dB收獲控制、3 dB低頻噪音標準值,飽和輸出電壓工作電壓為+25 dBm,用到+8V開關電源時耗電僅為160 mA。 它還具有0.5 dB的出眾的收獲控制出平整度,在DC至10 GHz的頻段使用比率內與規則化相位的偏離為± 4 度,某些性狀不使HMC465LP5(E)十分適宜OC192光纖寬帶LN/MZ熬制器能夠縮放器各種試驗專用設備應用領域。 HMC465LP5(E)縮放器I/O外部符合50 Ω。
|
品牌
|
型號
|
描述
|
貨期
|
庫存
|
|
ADI
|
HMC465LP5,HMC465LP5E
HMC465LP5ETR,HMC465LP5TR
|
寬帶驅動放大器,采用SMT封裝,DC - 20 GHz
|
現貨
|
203
|
HMC465LP5應用
-
OC192 LN/MZ調制器驅動器
-
微波無線電和VSAT
-
測試儀器儀表
-
軍用EW、ECM和C3I
HMC465LP5優勢和特點
-
增益: 15 dB
-
輸出電壓至10 Vp-p
-
飽和輸出功率: +24 dBm
-
電源電壓: +8V (160 mA)
-
50 Ω匹配輸入/輸出
-
32引腳5x5mm SMT封裝: 25mm2
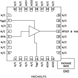
HMC465LP5結構圖
