HMC408LP3E/HMC408LP3ETR便捷率電機功率變小器5.1 - 5.9 GHz ADI期貨
發(fa)布消(xiao)息周期:2018-06-26 13:39:38 訪問 :7338
HMC408LP3(E)有的是款5.1 - 5.9 GHz高質量高率GaAs InGaP異質結雙正負極晶狀體管(HBT)最大電電率放縮器MMIC,具備+30 dBm P1dB。 該放縮器具備20 dB增益操控,飽滿最大電電率為+32.5 dBm,外接電源打印所在電率為+5V (27% PAE)。 手機輸入企業內部自動匹配至50 Ohms,打印所在需不多的外表面元器件二極管封裝。 Vpd可以于全省點形式 或RF打印所在最大電電率/電壓電流操控。 該放縮器選擇低投資成本、3x3 mm無鉛外表面貼裝二極管封裝,配有露外底座以改變RF和散熱耐磨性耐磨性。
|
品牌
|
型號
|
描述
|
貨期
|
庫存
|
|
ADI
|
HMC408LP3E
HMC408LP3ETR
|
1 W功率放大器SMT,5.1 - 5.9 GHz
|
現貨
|
275
|
HMC408LP3應(ying)用(yong)
-
802.11a & HiperLAN WLAN
-
UNII和點對點/多點無線電
HMC408LP3優勢和特點
-
增益: 20 dB
-
飽和功率: +32.5 dBm (27% PAE)
-
單電源電壓: +5V
-
省電功能
-
3x3 mm無鉛SMT封裝
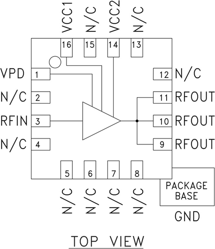
HMC408LP3結構圖
