HMC487LP5E/HMC487LP5ETR用于SMT封口2瓦特電功率圖像放大電路 ADI現貨交易
發布了時(shi)光:2018-06-25 15:48:33 打開網頁:2521
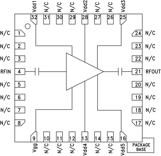
HMC487LP5(E)不是款高動態性空間GaAs PHEMT MMIC 2瓦特熱效率放小器,分為無引腳5x5 mm表層層貼裝打包封裝。 該放小器在9至12 GHz的速度下業務,能提供20 dB的增加收益、+33 dBm的趨于穩定熱效率和20%的PAE,電源適配器額定電壓為+7V。 輸出的IP3為+36 dBm(典例值)。 RF I/O為隔直串口,并配備至50Ω,采用簡單。 HMC487LP5(E)不需要線焊,不得采用表層層貼裝生產能力。
|
品牌
|
型號
|
描述
|
貨期
|
庫存
|
|
ADI
|
HMC487LP5E
HMC487LP5ETR
|
2瓦特功率放大器,采用SMT封裝,9 - 12 GHz
|
現貨
|
223
|
HMC487LP5應用
-
點對點無線電
-
點對多點無線電
-
測試設備和傳感器
-
軍事最終用途
HMC487LP5優勢和特點
-
飽和功率: +33 dBm(PAE為20%時)
-
輸出IP3為+36 dBm
-
增益為20 dB
-
+7V、1300 mA電源
-
50 Ω匹配輸入/輸出
-
25 mm2無引腳SMT封裝
HMC487LP5結構圖
