行業內知識
發布(bu)公告周期:2018-06-25 14:52:49 訪問 :2022
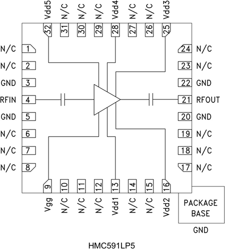
HMC591LP5(E)也是款高(gao)靜(jing)態(tai)標(biao)準內GaAs PHEMT MMIC 2 W運(yun)作(zuo)最大功率(lv)(lv)(lv)增加(jia)器(qi),運(yun)作(zuo)幾率(lv)(lv)(lv)標(biao)準內為6至(zhi)9.5 GHz。 該(gai)增加(jia)器(qi)給出(chu)18 dB增益(yi)控制,飽(bao)合運(yun)作(zuo)最大功率(lv)(lv)(lv)為+33 dBm,電源模(mo)塊電阻(zu)值為+7V (19% PAE)。 此(ci)增加(jia)器(qi)連接50 Ω,不(bu)需所(suo)(suo)以(yi)表面元器(qi)件,RF I/O歷經隔直,以(yi)給出(chu)相對(dui)穩定(ding)的耐熱性。 這對(dui)要較佳(jia)OIP3的適用,Idd應(ying)設(she)施(shi)為940 mA以(yi)所(suo)(suo)產生(sheng)+41 dBm OIP3。 這對(dui)要較佳(jia)打印(yin)模(mo)擬輸出(chu)P1dB的適用,Idd應(ying)設(she)施(shi)為1,340 mA以(yi)所(suo)(suo)產生(sheng)+33 dBm打印(yin)模(mo)擬輸出(chu)P1dB。
品牌
型號
描述
貨期
庫存
ADI
HMC591LP5,HMC591LP5E
HMC591LP5ETR,HMC591LP5TR
2 W功率放大器,采用SMT封裝,6.0 - 9.5 GHz
現貨
158
HMC591LP5優勢和特點
+33 dBm (20% PAE)
