HMC659LC5/HMC659LC5TR規劃式熱效率擴大器 合適RoHS規范 ADI外盤代里商
正式發布時期:2018-06-25 14:26:35 訪(fang)問:7997
HMC659LC5都是款GaAs MMIC PHEMT勻稱式電率擴大器,分為了具有RoHS標準單位的5x5 mm無引腳陶瓷圖片表貼裝封,在DC到15 GHz的頻率依據內運作。該擴大器供給19 dB增益值控制、+35 dBm的輸出精度IP3和+27.5 dBm的輸出精度電率(1 dB增益值控制壓解),功能消耗為300mA(分為了+8V電)。
HMC659LC5在DC - 15 GHz的范圍內出具±0.7 dB的異常出色增益值平緩度,之所以異常是和EW、ECM、聲納和試驗專用設備app。HMC659LC5圖像電壓放大器I/O組織結構符合50 Ω,就不需要內部電氣元件。HMC659LC5與高存儲空間表貼生產制造能力兼容。
|
品牌
|
型號
|
描述
|
貨期
|
庫存
|
|
ADI
|
HMC659LC5
HMC659LC5TR
|
功率放大器,采用SMT封裝,DC - 15 GHz
|
現貨
|
173
|
HMC659LC5應(ying)用
-
電信基礎設施
-
微波無線電和VSAT
-
軍事和太空
-
測試儀器儀表
-
光纖產品
HMC659LC5優勢和特點
-
P1dB輸出功率:+27.5 dBm
-
增益:19 dB
-
輸出IP3:+35 dBm
-
電源電壓:+8V(300 mA時)
-
50 Ω匹配輸入/輸出
-
32引腳陶瓷5x5mm
SMT封裝:25mm2
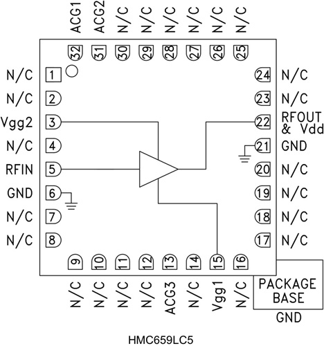
HMC659LC5結構圖
