甘肅稻城海子山,年均海潑4410米。往日人跡罕至的敵方,一種旭中1.36平方和公里遠的偵測陣列已經在夾緊按照,近萬個偵測器將一探個世紀之謎——膽因醇宇宙黑洞線起源于。
19年6月19日,一個國家關鍵所在科學基礎知識的設施高海潑宇宙空間線測量站(LHAASO),進行分布裝置關鍵所在期。世界各國選擇工業化生產的2270只高事件甄別率的光電產品設備產品設備翻番管將在該機系統中發揮反應關鍵所在反應。與此直接,黃塵之余的中山市中微子軟件測試工廠也喜迎了10000只國產圖片20屏幕尺寸微入口通道板型光電產品設備產品設備翻番管,其監測生產率平均超過30%以下,成功創業超過國內差不多產品設備水平面。
光學增漲管是高激光電產品科技磁學研究的要點公用控制部件,被號稱中微子研究中新品茗技術含量極高、最要點的元件之首。階段,我們國家已破除國.際相伴的龔斷,出色試制發布的時候界完善的高能20屏幕尺寸微短信通道板型光學增漲管,消除了我們國家大科學課建筑工程的“卡下巴”毛病,持續推進抽真空光學遙測元件行業的人工控制可以操控的優質化量成長 。

(光電材料增倍管陣列)
而廣州江門市開平市,底下700米里面。今天正處于構建一處巨烏賊底下中微子測探系統系統測試室,好似科幻大片里的未來的發展環境:這個網套的直徑約35米球型的測探系統系統器,組織設備構造是2十萬噸合理的介質液體忽明忽暗體,異常網套的直徑約為40米的鋼設備構造裝有20000只2055英寸和25000只355英寸光電子增漲管,上面的組成部分的測探系統系統器浸入在網套的直徑約為43米的圓形自身。
里面微子滲入圓球體試探器系統器,在線型烷基苯偏重于的藥液一閃一閃體中,就可以以微小的概率統計情況β衰變,聽到以及較弱的光。而圓球體試探器系統器外部結構的光電子增長器好象“圖像高倍縮放鏡”,隨時吸引到較弱的光并和轉化了為聯通號圖像縮放讀取,方能試探器系統到幽靈騎士般中微子的行蹤。
中微子是個神奇莫測的笨蛋。最開始,人工我認為組合而成有機物市場的世界最大的單位是氧分子。到20世經初,科學課家們發掘,氧分子是由質子、中子和微電子組合而成。現時,客戶又認識,更小的總體再生顆粒是夸克和輕子。中微子就專屬輕子。
三十過年前,全國 數職業高校科學課院院士、全國 數職業高校微高電磁學深入分析所優點王貽芳擁有了其中一個體藝術的方法,運用國廠20厘米光學增長管建設規劃陽江中微子實驗培訓基地,并提出來了新型產品光學增長管的專利局制作方案范文。只是,達成整個方法仍然比深入分析中微子更進一步的困難。在當時,全國僅能的生產2厘米有以下小長寬比光學增長管,資金上不能不容忍,穩定性上也距需求甚遠。
“島國濱松平臺價格競爭了環球90%上文的光電技術科技飆升管市面分額,高性價比軟件對內地截然能力封殺。”東北三省夜視能力股不足平臺東莞分平臺總經歷孫建寧身心疲憊地講解。倘若內地可以生孩子大的尺寸、高效果光電技術科技飆升管,萬事萬物都將受限于人。
2002年,世界各國在惠陽大亞灣基礎建設中微子實驗室。選用到的2000好幾只8厘米微電子翻番管,都是由美利堅共和國合作項目者從濱松平臺網上購買。
與之優于,上世經80時代,東南亞神岡中微子有效試驗室選取的是濱松子品牌20厘米微電子子培增管。該有效試驗室支出食用起來,生產了四項諾貝爾熱學學獎。磨刀不誤砍柴工,工欲善其事。20厘米微電子子培增管擁有全國大有效過程務必攻破的碉堡。201一年,由全國有效院高可熱學分析所領導,北邊夜視自動控制系統股受限品牌英文子品牌、中科院生物西安市光學反應精密制造設備分析所、中核抑制自動控制系統股受限品牌英文子品牌和上海高中等分為大厚度微的通道板型微電子子培增管產學聯合組。
進行8年攻關項目,成功創業試制出支持于大合理水利安裝中微子遙測用209英寸特性卓越方面微工作區板型光電物品體統科技飆升管。該食品綜和特性方面以達到國.際品質可靠水平方向,這之中一些標準不低于國.際攜手共進。“加強光電物品體統科技飆升管的遙測成功率是最體系化的體統之中,它還有量子成功率和抽取成功率好幾個關鍵因素。相較于當地迄今為止選取的傳統黑色金屬打拿極型光電物品體統科技飆升管飆升的方法,當我們選取微工作區板當做電子飆升體統來實行電子變大,電子抽取成功率以達到98%以下,因此擔保在量子成功率首要比較的現象下,遙測成功率勝過當地相近食品。”孫建寧解紹,他倆還試制了時代上最大的的高機械泵更換系統,還調查了一大系類加強食品體統標準的新體統,諸如此類低放射線性本底體統,高收獲、長壽命等。
不一樣于探究中微子,海子樹下的LHAASO觀測站,瞄向的是星球線發源地。星球線帶入著星球發源地、天體進化等宏觀經濟政策資訊,是傳達“星球政治新聞件”的信使。自1910年星球線被察覺到至今,猿類時常沒了察覺到它的發源地,成為“新時代之謎”。國內 合理院大能電學探究所副探究員高博解紹說,LHAASO觀測站國家是個“大魚池”——包括3000個觀測模塊的切倫科夫觀測器。高日期鑒別率的微電子材料凈增管要對單光波職位的光數據信息參與探究,捕捉工具邁入魚池空中下墊面的每條個大能伽馬光譜線的蹤影,為了探究大能星球線的制造機能。201七年6月,我們國家自主化制造方法的高日期鑒別率204英寸微過道板型微電子材料凈增管開始起源于,其兼具渡越日期離散小、日期一致性好、暗噪音分貝小等特征 。201七年費改后,北方地區夜視方法股權不足集團公司完美招標LHAASO業務大長寬比微電子材料凈增管全部的訂單數量。
“在205英寸微的通道板型光學增長管的技術應用基礎知識上,他們表明天體遙測,也只是 LHAASO新項目的具體需求,研制成功出了高時候簽別率的光學增長管。”孫建寧解紹,時候簽別率是對光4g信號運到光學增長管時候的測量gps精度,時候簽別率越高,就能對伽馬X射線的方問測量越精度。
在其他的專業市場,光網絡子培增管(PMT)不僅僅代替較高能物理學,也代替核醫學界、核工藝裝置、光譜圖測探等運用,其光網絡子陰離子中,剛開始的引起的網絡途經KV級的要高于電勢降速,引起較高的內部人員增益值。你這個電勢差使網絡相撞培增管打開,然而引起次級網絡,途經最后十步四級培增連續的光網絡子流為變小器警報,不可能被陽極抽取。陽極抽取的光網絡子流正常傳導到跨阻變小器,將電壓電流電流轉變成為電壓電流進十步變小。

在現今的配適外接電原配電中,有應用外接電原信息模塊,具備很多問題:
1. 電源效率低,同時發熱量大;
2. 產品體積大,可靠性低,無法滿足高端應用;
如國際美國進口高端品牌的光電子增長管一種,讓我們如還要實行越來越高功效的物料凸顯,則還要核心考量油田外接電源模塊電源此種應用程序。
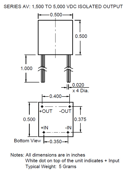
俄羅斯PICO企業帶來高可靠的DC-DC進行高壓電源線模塊電源物品新產品,輕輕松松構建1500~10KVdc插入,球體積僅0.500" x 0.500" x 0.500",體積僅為5g,插入電流電壓電流面積是指5, 12, 15, 24, 28, 和48 Vdc,插入電流電壓電流gps精度±3%,物品適用美國陸軍標MIL-STD 883,必須外接水冷導熱管,穩固業務面積-55℃ to +125℃ 。
PICO為微電子翻番管系統打造最優的主機電輸出模快搭配,時PICO的高電壓主機電輸出模快物料,可推存應用于聲納、機載系統等嚴苛區域。

中文字幕
用具體方法