制造行業動態、短視頻軟件
上線時間:2025-06-10 16:32:01 瀏覽訪問:300
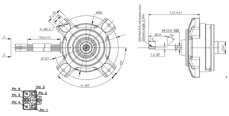
MH096D3RD整流無刷無刷電機是臺達(DELTA)加工研發的市場上效能優質直流電主軸電機,有著多高級水平優越性。MH096D3RD其所高效、性價比最高率、安全穩定義、環境保護非常可以裝的特點,是多如牛毛高最新企業廣泛應用下的抱負選取。
基本上技術指標
直流電電機內型:相電壓直流電無刷直流電電機(BLDC)
額定負載電壓電流:24V/48V
額定值工作功率:50W-200W(典型示范值)
額定功率電機轉速:3000-5000 RPM
關鍵點性
機器特征:
內直徑:96mm(MH096表述96mm電機轉軸)
組裝加工:蝶閥法蘭組裝(D3表達層次性法蘭盤類型)
軸徑:8mm/10mm(常見的樣式)

電器基本參數:
功率直流電壓:2A-5A
極對數計算:4極/8極
接地等級:B級或F級(130°C或155°C)
效果性能參數:
錯誤率:≥85%
負載電壓:<0.5A
啟動服務器起動轉矩:額定容量扭距的2-3倍
接線頭與接口協議:
電機外殼:JST ELP-06V或均等管腳1:粉紅色,Vm(310 VDC)
管腳2:黃綠色,工作電流意見反饋
管腳3:潔白,Vcc(15VDC)
管腳4:淺藍色,F/G信息的輸出(4智能/轉)
管腳5:黑色,Vsp(0~5.7 VDC)
管腳6:深藍色,GND)
安全可靠性:CCC
西安市立維創展社會非常有限廠家以DELTA葉輪大批量期貨銷量為杭州特色,以優勢可言的費用為企業客戶供應服務管理,歡迎會網絡咨詢。
形號 | 事情額定電壓(交流電電) | 額定功率的電壓(直流電壓電)
| 電脈沖/轉速 | 固定阻抗效率(轉/多分鐘) | 額定功率扭距(牛·cm) | 額定值感應電流(安培) | 特殊打印輸出工作效率(瓦) | 無根據燥聲(聲音分貝(A)) |
MH096D3RD | 280 ~ 340 | 310 | 4 | 1400 | 34.1 | 0.230 | 50 | < 50 |
上一篇: ?為何DELTA臺達風扇備受認可?
下一篇: ?SUNON建準DC鼓風機