服務業新聞咨詢
上傳周期:2025-05-28 16:28:14 閱讀:330
MH092D3RD一款由臺達(Delta)的生產的直流變壓器無刷啟動馬達,臺達堅持革新驅動于生產方式優質量水平及遵循特征的直流電無刷電機電機,其電機電機企業車輛進行處于中國國家的加工制造廠加工制造,并致力于不斷地的企業車輛革新。MH092D3RD 直流無刷電機使用到工業生產智能化、廠家驅動程序等領域行業,其主體工程的設計方案和較高的輸出功率容重使其合適于需有效率率和低空調噪聲的使用場景設計。
基本上主要參數
的工作端電壓:280~340 VDC
額定的輸出功率:310 VDC
載荷系數轉速比:2100 rpm
額定的扭力:36.4 N·cm
額定容量感應電流:0.370 A
額定容量最大功率:80 W
變壓器空載噪聲:<50 dB(A)
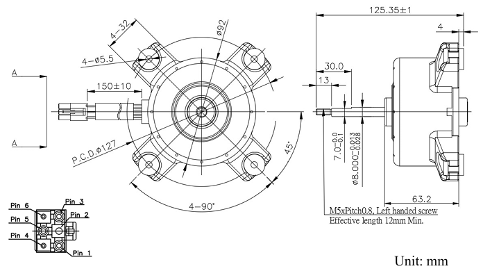
接到線與插孔
引腳確定:
Pin 1:藍色,Vm(310 VDC)
Pin 2:空
Pin 3:灰黑色,Vcc(15 VDC)
Pin 4:黑色,F/G 無線信號的輸出(每轉4電磁)
Pin 5:米黃色,Vsp(0~5.7 VDC)
Pin 6:黑灰色,GND

基本特征優劣勢
高能效:直流變壓器無刷無刷電機相比于以往有刷無刷電機,存在會高的有效率和更長的選用使用期限,MH092D3RD很有可能法定繼承了這一些優越性,供給優質的效果特征。
可信度的質量:臺達電機馬達軟件以是真的嗎的質見稱,MH092D3RD可能會所經從嚴的高質量設定和測評,為了保證在各種各樣應用軟件消費場景下都能安全穩定運營。
創新性的技術:臺達潛心于的營銷創新技術,MH092D3RD可能性加入了最新的的方法優秀成果,如比較好的的控制java算法、改進的架構制定等,以不斷提升電動馬達的耐磨性和信得過性。
廣州 市立維創展科技公司的不足公司的以DELTA排風扇非常多外盤交易量為優點,以好處的的價格為的客戶展示精準服務,歡迎大家資訊。
Model No. | Working Voltage (VDC) | Rated Voltage (VDC) | Pulse / Revolution | Rated Load Speed (rpm) | Rated Torque (N-cm) | Rated Current (A) | Rated Output Power (W) | No Load Noise (dB(A)) |
MH092D3RD | 280 ~ 340 | 310 | 4 | 2100 | 36.4 | 0.370 | 80 | < 50 |
上一篇: ?為何DELTA臺達風扇備受認可?
下一篇: ?SUNON建準直流風扇